

作品包括:
Word设计说明书1份
CAD版本图纸,共6张
摘要
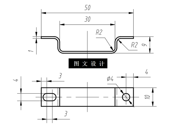
冲压模具技术作为模具制造业中最重要的组成部分,机械、电子、轻工业等大量使 用了冲压零件,所以冲压模具技术水平的高低,发展前景的好坏直接影响到整个制造业 的发展。随着经济的高速发展对模具工业提出了越来越高的要求,也为其发展提供了巨 大的动力。 复合冲压模的特点是生产率高,冲裁件的内孔与外缘的相对位置精度高,本制件为固定支架,要求平整、料厚很小,有弯曲工序,且要求大批量生产,故采用顺装式复合冲裁模和弯曲模进行加工,本篇对落料冲孔复合模和弯曲模进行介绍说明。凹模采用整体结构。为了使加工平稳和送料方便,模具采用中间导柱。本复合模采用了冲孔和落料两个工序进行冲压。该套冲压模具设计周密,设计内 容全面。包括对冲压件工艺性分析,模具工艺方案的确定,模具零件的设计、受力计算 及其校核,模具标准的选定,装配图的绘制,压力机的型号选定,零件加工工艺的确定 等,并综合考虑分析横排、对排、斜排等各种排样方式的优缺点和适应性,最后以最高 效率、最低成本、最高质量、最简结构来确定排样和模具的结构,这样的模具操作更加 安全、快捷、方便,并且更容易达到冲压件的公差等级要求等。实现了冲压模具用材节 省、结构合理、精度高、操作方便等优点。
关键词:正装复合模;排样; 落料;冲孔 ;弯曲
温馨提示:
1、题目前面的备注【字母数字编号】为本站整理分类的编号,与课题内容无关,请选题时忽视;
2、若题目上备注三维,则表示文件里包含三维源文件,由于三维组成零件数量较多,为保证预览截图的简洁性,本站将三维文件夹进行了打包。三维及CAD预览截图,均为本站电脑打开软件进行截图的,保证能够打开,下载原件超高清,下载后解压即可;
3、本站所有资源如无特殊说明,都需要本地电脑安装Office2007。图纸软件为AutoCAD,PROE,UG,SolidWorks,CATIA等;
4、本站所有图文资料仅供用户学习参考,不作为任何商用或其他用途;
5、本站不保证下载资源的准确性、安全性和完整性, 不包修改,不支持退换,同时也不承担用户因使用这些下载资源对自己和他人造成任何形式的伤害或损失;
6、 下载文件中如有侵权或不适当内容,请与我们联系,我们立即纠正。