

作品包括:
Word设计说明书1份
CAD版本图纸,共7张
摘要
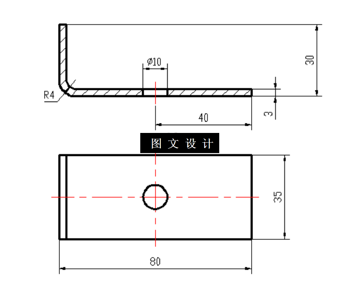
本次设计是对连接板进行冲压工艺分析和模具设计,通过对制件的材料,结构、尺寸精度进行分析。本制件选用材料Q235,厚度相对较大3mm,整体外形为L形弯曲,展开后为一个矩形零件,上面有1个圆孔,弯曲部位没有孔的结构,可以考虑直接弯曲。所以连接板可以采用较简单的冲裁和弯曲成形模。最好能采用多工序同时加工,这样加工的精度较高且连接板要求无翘曲无扭曲。本论文从凹模开始设计,选择模架,设计凸模,再算其他模具零件尺寸。 首先我们分析连接板的结构,根据结构工艺来确定方案。接下来对连接板的排样来进行设计,完成排样图的利用率的计算以及冲裁板料及条料的利用率。通过分析计算来确定压力机和刃口工作尺寸,然后根据最后实际情况对压力机进行校核。为本次连接板的cad绘制和成形提供依据。通过分析计算和设计,进行大体方案草图进行绘制,然后完成模具的绘制。 本次设计通过对连接板的冲压模具设计,加深了我们对所学知识的理解和运用。阐述了模具的设计过程和证明连接板在实际设计制造中的可行性。
关键词:连接板冲孔;冲裁模;工艺;模具设计
温馨提示:
1、题目前面的备注【字母数字编号】为本站整理分类的编号,与课题内容无关,请选题时忽视;
2、若题目上备注三维,则表示文件里包含三维源文件,由于三维组成零件数量较多,为保证预览截图的简洁性,本站将三维文件夹进行了打包。三维及CAD预览截图,均为本站电脑打开软件进行截图的,保证能够打开,下载原件超高清,下载后解压即可;
3、本站所有资源如无特殊说明,都需要本地电脑安装Office2007。图纸软件为AutoCAD,PROE,UG,SolidWorks,CATIA等;
4、本站所有图文资料仅供用户学习参考,不作为任何商用或其他用途;
5、本站不保证下载资源的准确性、安全性和完整性, 不包修改,不支持退换,同时也不承担用户因使用这些下载资源对自己和他人造成任何形式的伤害或损失;
6、 下载文件中如有侵权或不适当内容,请与我们联系,我们立即纠正。