

作品包括:
说明书一份,共38页,约13000字
CAD版本图纸,共5张
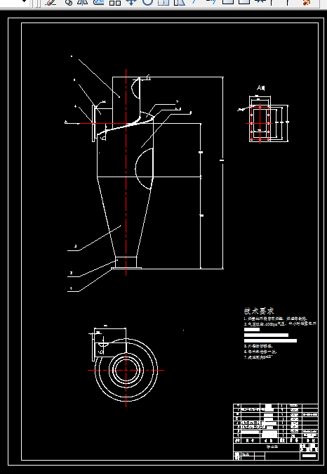
旋风除尘器由筒体、锥体、进气口、排气管、和卸灰口等组成,如图1。旋风除尘器的工作过程是当含尘气体由切向进气口进入旋风分离器时,气流将由直线运动变为圆周运动。旋转气流的绝大部分沿器壁自圆筒体呈旋转形向下、朝锥体流动,形成外旋气流。含尘气体在旋转过程中产生离心力,将密度大于气体的尘粒甩向器壁。尘粒一旦与器壁接触,便失去径向惯性力而靠向下的动量和向下的重力沿壁面下落,进入排灰管。旋转下降的外旋气体到达锥体时,因圆锥形的收缩而向中心靠拢。根据“旋转矩”不变原理,其切向速度不断提高,尘粒所受离心力也不断加强。当气流达到锥体下端时,即以同样的旋转方向从旋风除尘器中部,由下反转向上,继续做螺旋流动,即内旋气流。最后净化气体经排器气管排出管转矩”不变原理,其切向速度不断提高,尘粒所受离心力也不断加强。当气流达到锥体下端时,即以同样的旋转方向从旋风分离器中部,由下反转向上,继续做螺旋流动,即内旋气流。最后净化气体经排器气管排出管外。
目录
毕业设计任务书.................................................................................................................Ⅰ
开题报告.............................................................................................................................Ⅱ
指导教师审查意见...……………………………………………………………………..Ⅲ
评阅教师评语.....................................................................................................................Ⅳ
答辩会议记录…………………………………………………………………………….Ⅴ
中文摘要………………………………………………………………………………….Ⅵ
外文摘要………………………………………………………………………………….Ⅶ
前言 1
1 选题背景 1
1.1 国内发展情况 2
1.2 国外发展情况 2
1.3 旋风除尘器的主要优缺点 3
2 设计方案 3
2.1 旋风除尘器的除尘原理 3
2.2 Muschelknautz模型基本原理 4
2.3螺旋型旋风分离器结构及特点 5
3 设计过程 6
3.1旋风除尘器的基本尺寸设计 6
3.2 旋风除尘器的基本参数计算 8
3.3 旋风除尘器的其他附件的设计及选用 10
3.4 旋风除尘器的安装形式 18
3.5 焊接工艺 20
4 计算流体动力学的基本理论 21
4.1 计算流体动力学的基本方程 21
4.2 标准 κ -ε 模型的控制方程统一形式 22
5 结果分析过程 23
5.1 前处理 23
5.2 结果分析 24
6 总结 30
参考文献 30
致谢 32
温馨提示:
1、题目前面的备注【字母数字编号】为本站整理分类的编号,与课题内容无关,请选题时忽视;
2、若题目上备注三维,则表示文件里包含三维源文件,由于三维组成零件数量较多,为保证预览截图的简洁性,本站将三维文件夹进行了打包。三维及CAD预览截图,均为本站电脑打开软件进行截图的,保证能够打开,下载原件超高清,下载后解压即可;
3、本站所有资源如无特殊说明,都需要本地电脑安装Office2007。图纸软件为AutoCAD,PROE,UG,SolidWorks,CATIA等;
4、本站所有图文资料仅供用户学习参考,不作为任何商用或其他用途;
5、本站不保证下载资源的准确性、安全性和完整性, 不包修改,不支持退换,同时也不承担用户因使用这些下载资源对自己和他人造成任何形式的伤害或损失;
6、 下载文件中如有侵权或不适当内容,请与我们联系,我们立即纠正。