

作品包括:
说明书1份,共42页,约21000字左右
CAD版本本图纸,共3张
摘 要
在数控机床系统中,加工精度和加工可靠性是伺服系统决定的,本文对数控车床进行了分析和设计,全面阐述了数控车床的结构原理,设计特点,论述了采用伺服电机和滚珠丝杠螺母副的优点。详细介绍了数控车床的结构设计及校核,并进行了分析。另外汇总了有关技术参数。
其中着重介绍了四方刀架的原理包括种类选择、参数选择、精度选择、循环方式选择、与主机匹配的原则以及厂家的选择等。
关键词:车床,数控,电机,刀架
目 录
摘 要 II
Abstract III
目 录 IV
第1章 数控机床发展概述 6
1.1数控机床及其特点 6
1.2数控车床的主要功能及加工对象 6
1.3 数控机床的经济分析 7
1.3.1中小企业数控机床选用中存在的问题 7
1.3.2 数控机床选购的策略 7
1.4 数控机床的发展趋向 9
第2章 数控机床总体方案的制订及比较 10
2.1 总体设计方案 10
2.2 主传动的系统设计 12
2.2.1机械部分的数控设计 12
2.2.2电气部分的数控化设计 12
2.3进给系统的设计 13
2.3.1进给机构的设计 13
2.3.2 Φ630MM的数控车床的设计要求 13
2.3.3 Φ630MM的数控车床机床主要参数 13
2.3.4导轨副的设计 14
2.4 微机系统的硬件与软件设计 14
2.4.1系统软件的设计 14
2.4.2硬件系统设计 14
2.2设计方案论证 15
第3章 确定切削用量及选择刀具 17
3.1科学选择数控刀具 17
3.1.1选择数控刀具的原则 17
3.1.2选择数控铣削用刀具 17
3.2 设置刀点和换刀点 18
3.3.1确定主轴转速 18
3.3.2确定进给速度 19
3.3.3 确定背吃刀量 19
第4章 传动系统图的设计计算 19
4.1 参数的确定 20
4. 2 传动设计 22
4.3转速图的拟定 24
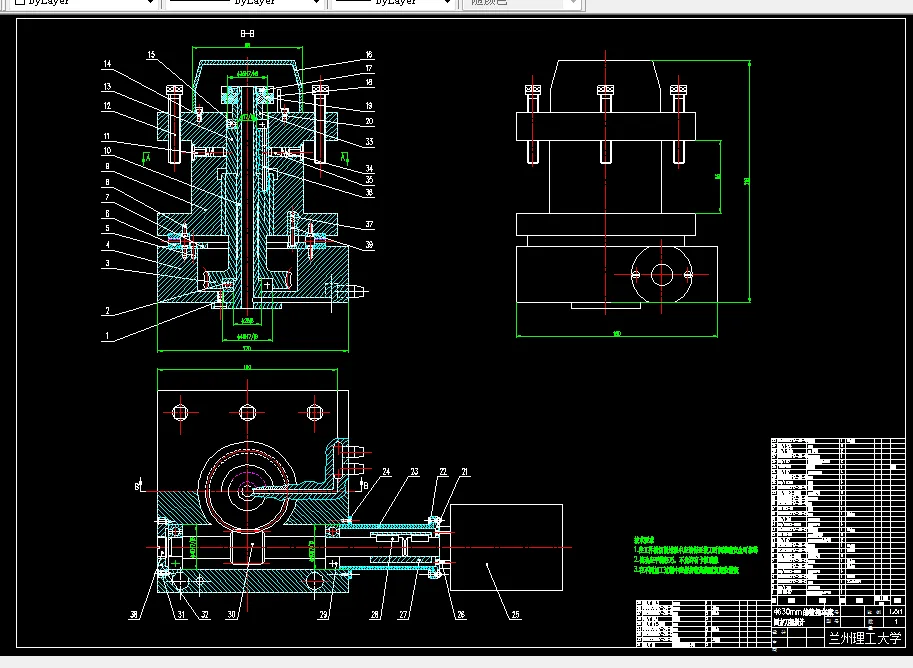
第5章 四方自动回转刀架总体结构设计 27
5.1减速传动机构的设计 27
5.1.1上刀体锁紧与精定位机构的设计 27
5.1.2自动回转刀架的工作原理 27
5.2 主要传动部件的设计 30
5.2.1 蜗杆副的设计计算 30
5.2 螺杆的设计计算 34
第6章 数控硬件电路设计 35
6.1硬件电路设计 35
6.1.1 数控系统的硬件结构 35
6.1.2 数控系统硬件电路的功能 36
6.2关于各线路元件之间线路连接 36
6.3关于电路原理图的一些说明 37
结 论 40
致 谢 41
参考文献 42
温馨提示:
1、题目前面的备注【字母数字编号】为本站整理分类的编号,与课题内容无关,请选题时忽视;
2、若题目上备注三维,则表示文件里包含三维源文件,由于三维组成零件数量较多,为保证预览截图的简洁性,本站将三维文件夹进行了打包。三维及CAD预览截图,均为本站电脑打开软件进行截图的,保证能够打开,下载原件超高清,下载后解压即可;
3、本站所有资源如无特殊说明,都需要本地电脑安装Office2007。图纸软件为AutoCAD,PROE,UG,SolidWorks,CATIA等;
4、本站所有图文资料仅供用户学习参考,不作为任何商用或其他用途;
5、本站不保证下载资源的准确性、安全性和完整性, 不包修改,不支持退换,同时也不承担用户因使用这些下载资源对自己和他人造成任何形式的伤害或损失;
6、 下载文件中如有侵权或不适当内容,请与我们联系,我们立即纠正。