

作品包括:
Word版说明书1份,共48页,约29000字
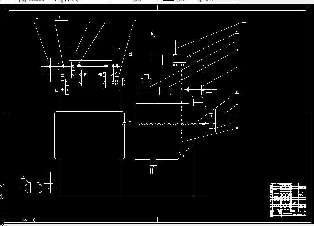
CAD版本图纸,共4张
摘要:
当前随着新知识的经济时代的到来,科学技术转变为生产力的速度加快,企业中传统的普通车床现在已经远远不能满足于当今千变万化的市场需求。数控机床较好地解决了复杂、精密、小批、多变的零件加工问题,是一种灵活的、高效能的自动化机床,尤其对于约占机械加工总量80%的单件、小批量零件的加工,更显示出其特有的灵活性。体的控制方式也各不相同,但机床的动作和运动都是数字化控制的,具有较高的生产率和自动化程度。本文从主传动部分、伺服进给系统、自动转位刀架的选择设计、编码盘的安装设计几个方面进行了设计改造,从而提高车床的效率。
本文对机床数控化的改造的内容和特点及数控系统的选择进行了一些探讨。
关键词:c618车床 数控化 数控系统 传动系统
目 录
摘 要 1
Abstract 2
第1章 概 论 5
1.1数控系统发展简史 5
1.2国内数控机床状况分析 5
1.3数控系统的发展趋势 6
1.4机床数控化改造的必要性 6
第2章普通车床的数控改和可行性论证 10
2.1车床的数控改造 10
2.2可行性论证 12
第3章总体设计方案的确定 13
第4章主传动部分改造与设计 14
4.1主传动部分改造方案拟定和设计的内容 14
4.2主传动部分改造设计计算 17
4.3机床调速控制电路图的设计…………………………………………………23
第五章 伺服进给系统的改造设计与计算 26
5.1伺服系统的组成原理和要求 26
5.2 伺服进给机构的设计内容和设计计算 27
第六章 自动转位刀架的选择设计 39
6.1数控车床刀架的基本要求 39
6.2自动转位刀架的选择 39
第七章 编码盘的安装设计 41
7.1编码盘的工作原理 41
7.2步进电机频率对编码盘的限制 41
7.3编码盘的安装 41
第八章 数控系统的选择设计 42
8.1典型机床数控装置的硬件组成 42
8.2典型CNC系统(数控系统)技术性能 43
结 论 46
参考文献 47
致 谢 48
温馨提示:
1、题目前面的备注【字母数字编号】为本站整理分类的编号,与课题内容无关,请选题时忽视;
2、若题目上备注三维,则表示文件里包含三维源文件,由于三维组成零件数量较多,为保证预览截图的简洁性,本站将三维文件夹进行了打包。三维及CAD预览截图,均为本站电脑打开软件进行截图的,保证能够打开,下载原件超高清,下载后解压即可;
3、本站所有资源如无特殊说明,都需要本地电脑安装Office2007。图纸软件为AutoCAD,PROE,UG,SolidWorks,CATIA等;
4、本站所有图文资料仅供用户学习参考,不作为任何商用或其他用途;
5、本站不保证下载资源的准确性、安全性和完整性, 不包修改,不支持退换,同时也不承担用户因使用这些下载资源对自己和他人造成任何形式的伤害或损失;
6、 下载文件中如有侵权或不适当内容,请与我们联系,我们立即纠正。