

作品包括:
Word版说明书1份,共34页,约10000字
CAD版本图纸,共4张
摘 要
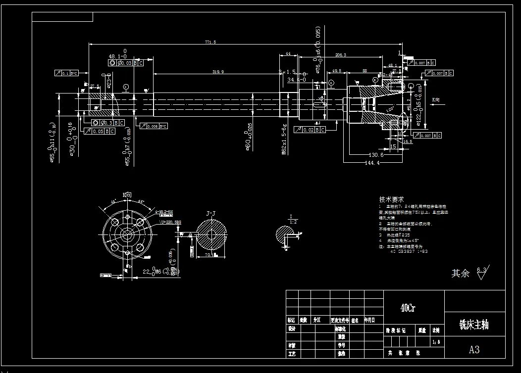
本设计着重研究机床主传动系统的设计步骤和设计方法,根据已确定的运动参数以变速箱展开图的总中心距最小为目标,拟定变速系统的变速方案,以获得最优方案以及较高的设计效率。在机床主传动系统中,为减少齿轮数目,简化结构,缩短轴向尺寸,用齿轮齿数的设计方法是试算,凑算法,计算麻烦且不易找出合理的设计方案。本文通过对主传动系统中滑移齿轮传动特点的分析与研究,绘制零件工作图与主轴箱展开图及剖视图。
关键词:传动系统设计,传动副,结构网,结构式,
目 录
摘 要 2
目 录 4
第1章 绪论 6
1.1 课程设计的目的 6
1.2课程设计的内容 6
1.2.1 理论分析与设计计算 6
1.2.2 图样技术设计 6
1.2.3编制技术文件 6
1.3 课程设计题目、主要技术参数和技术要求 6
第2章 铣床参数的拟定 7
2.1铣床主参数和基本参数 7
2.2铣床的变速范围R和级数Z 7
2.3确定级数主要其他参数 7
2.3.1 拟定主轴的各级转速 7
2.3.2 主电机功率——动力参数的确定 7
2.3.3确定结构式 7
2.3.4确定结构网 9
2.3.5绘制转速图和传动系统图 9
2.4 确定各变速组此论传动副齿数 11
第3章 传动件的计算 13
3.1 带传动设计 13
3.1.1计算设计功率Pd 13
3.1.2选择带型 13
3.1.3确定带轮的基准直径并验证带速 14
3.1.4确定中心距离、带的基准长度并验算小轮包角 15
3.1.5确定带的根数z 15
3.1.6确定带轮的结构和尺寸 16
3.1.7确定带的张紧装置 16
3.1.8计算压轴力 16
3.2 计算转速的计算 17
3.3 齿轮模数计算及验算 18
3.4 传动轴最小轴径的初定 20
第4章 主要零部件的选择 21
4.1 轴承的选择 21
4.2 键的规格 21
4.3 零件验算 21
4.3.1 主轴刚度 21
4.3.2 传动轴刚度 26
4.3.3 齿轮疲劳强度 29
4.4.轴承校核 31
4.5 润滑与密封 31
第5章 主轴箱结构设计及说明 32
5.1 结构设计的内容、技术要求和方案 32
5.2 展开图及其布置 32
结束语 33
参考文献 34
温馨提示:
1、题目前面的备注【字母数字编号】为本站整理分类的编号,与课题内容无关,请选题时忽视;
2、若题目上备注三维,则表示文件里包含三维源文件,由于三维组成零件数量较多,为保证预览截图的简洁性,本站将三维文件夹进行了打包。三维及CAD预览截图,均为本站电脑打开软件进行截图的,保证能够打开,下载原件超高清,下载后解压即可;
3、本站所有资源如无特殊说明,都需要本地电脑安装Office2007。图纸软件为AutoCAD,PROE,UG,SolidWorks,CATIA等;
4、本站所有图文资料仅供用户学习参考,不作为任何商用或其他用途;
5、本站不保证下载资源的准确性、安全性和完整性, 不包修改,不支持退换,同时也不承担用户因使用这些下载资源对自己和他人造成任何形式的伤害或损失;
6、 下载文件中如有侵权或不适当内容,请与我们联系,我们立即纠正。