

作品包括:
设计word版本说明书一份,共20页,约5800字
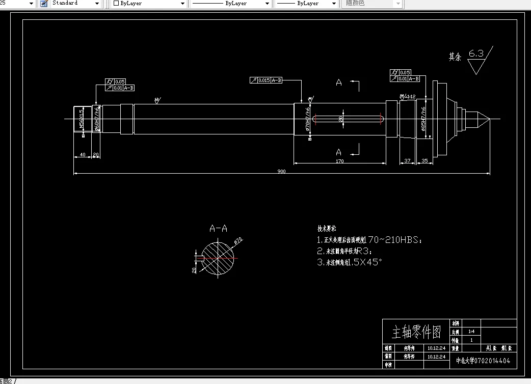
CAD版本图纸,共4张
目录
一、 机床课程设计目的……………………………………………………………………………2
二、 机床具体设计…………………………………………………………………………………2
1. 机床参数确定………………………………………………………………………………………… 2
1.1机床运动参数的确定………………………………………………………………………………2
1.2机床动力参数的确定……………………………………………………………………………2
2. 运动设计……………………………………………………………………………………………3
2.1传动组和传动副的确定……………………………………………………………………………3
2.2结构网或结构式各种方案的选择…………………………………………………………………3
2.3拟定转速图………………………………………………………………………………………4
2.4齿轮齿数的确定…………………………………………………………………………………5
2.5传动系统图………………………………………………………………………………………5
2.6轴、齿轮的计算转速………………………………………………………………………………6
3. 传动零件的初步计算………………………………………………………………………………6
3.1传动轴直径初定………………………………………………………………………………6
3.2齿轮模数的初步计算………………………………………………………………………7
3.3确定带轮直径………………………………………………………………………………8
4.主要零件的验算………………………………………………………………………………8
4.1三角胶带传动的计算和选定…………………………………………………………………8
4.2圆柱齿轮的强度计算…………………………………………………………………………9
4.3传动轴的验算……………………………………………………………………………12
4.4主轴组件的验算…………………………………………………………………………15
4.5 滚动轴承的验算…………………………………………………………………………17
5.结构设计…………………………………………………………………………………18
三、机床课程设计总结………………………………………………………………………………20
四、参考文献…………………………………………………………………………………………20
温馨提示:
1、题目前面的备注【字母数字编号】为本站整理分类的编号,与课题内容无关,请选题时忽视;
2、若题目上备注三维,则表示文件里包含三维源文件,由于三维组成零件数量较多,为保证预览截图的简洁性,本站将三维文件夹进行了打包。三维及CAD预览截图,均为本站电脑打开软件进行截图的,保证能够打开,下载原件超高清,下载后解压即可;
3、本站所有资源如无特殊说明,都需要本地电脑安装Office2007。图纸软件为AutoCAD,PROE,UG,SolidWorks,CATIA等;
4、本站所有图文资料仅供用户学习参考,不作为任何商用或其他用途;
5、本站不保证下载资源的准确性、安全性和完整性, 不包修改,不支持退换,同时也不承担用户因使用这些下载资源对自己和他人造成任何形式的伤害或损失;
6、 下载文件中如有侵权或不适当内容,请与我们联系,我们立即纠正。