

作品包括:
word说明书一份,共38页,约9600字
CAD版本图纸,共3张
目 录
摘 要 2
目 录 4
第1章 绪论 7
1.1 课程设计的目的 7
1.2课程设计的内容 7
1.2.1 理论分析与设计计算 7
1.2.2 图样技术设计 7
1.2.3编制技术文件 7
1.3 课程设计题目、主要技术参数和技术要求 7
第2章 车床参数的拟定 9
2.1车床主参数和基本参数 9
2.2车床的变速范围R和级数Z 9
2.3确定级数主要其他参数 9
2.3.1 拟定主轴的各级转速 9
2.3.2 主电机功率——动力参数的确定 9
2.3.3确定结构式 10
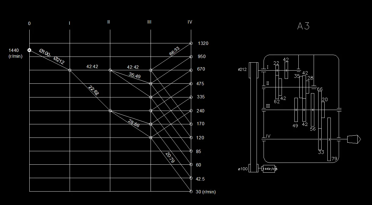
2.3.4确定结构网 11
2.3.5绘制转速图和传动系统图 12
2.4 确定各变速组此论传动副齿数 13
2.5 核算主轴转速误差 14
第3章 传动件的计算 16
3.1 带传动设计 16
3.1.1计算设计功率Pd 16
3.1.2选择带型 17
3.1.3确定带轮的基准直径并验证带速 17
3.1.4确定中心距离、带的基准长度并验算小轮包角 18
3.1.5确定带的根数z 19
3.1.6确定带轮的结构和尺寸 19
3.1.7确定带的张紧装置 19
3.1.8计算压轴力 19
3.2 计算转速的计算 21
3.3 齿轮模数计算及验算 22
3.4 传动轴最小轴径的初定 25
3.5 主轴合理跨距的计算 26
第4章 主要零部件的选择 27
4.1 轴承的选择 27
4.2 键的规格 27
4.3 主轴弯曲刚度校核 27
4.4.轴承校核 28
4.5 润滑与密封 28
第5章 主要零部件的选择 28
5.1电动机的选择 28
5.2 轴承的选择 28
5.3变速操纵机构的选择 29
5.4 轴的校核 29
5.5 轴承寿命校核 31
5.6 摩擦离合器的选择与验算 32
5.6.1按扭矩选择 32
5.6.2外摩擦片的内径d 32
5.6.3选择摩擦片尺寸(自行设计) 32
5.6.4计算摩擦面的对数Z 32
5.6.5摩擦片片数 33
第6章 设计部分的调节、润滑、维护保养、技术要求及其它 34
第7章 设计中的优缺点,存在的问题及改进意见 37
结束语 38
参考文献 39
温馨提示:
1、题目前面的备注【字母数字编号】为本站整理分类的编号,与课题内容无关,请选题时忽视;
2、若题目上备注三维,则表示文件里包含三维源文件,由于三维组成零件数量较多,为保证预览截图的简洁性,本站将三维文件夹进行了打包。三维及CAD预览截图,均为本站电脑打开软件进行截图的,保证能够打开,下载原件超高清,下载后解压即可;
3、本站所有资源如无特殊说明,都需要本地电脑安装Office2007。图纸软件为AutoCAD,PROE,UG,SolidWorks,CATIA等;
4、本站所有图文资料仅供用户学习参考,不作为任何商用或其他用途;
5、本站不保证下载资源的准确性、安全性和完整性, 不包修改,不支持退换,同时也不承担用户因使用这些下载资源对自己和他人造成任何形式的伤害或损失;
6、 下载文件中如有侵权或不适当内容,请与我们联系,我们立即纠正。