

作品包括:
Word版说明书1份,共60页,约14000字
任务书一份
开题报告一份
PPT答辩一份
CAD版本图纸,共7张
SW三维图一套
仿真动画视频一份

摘要
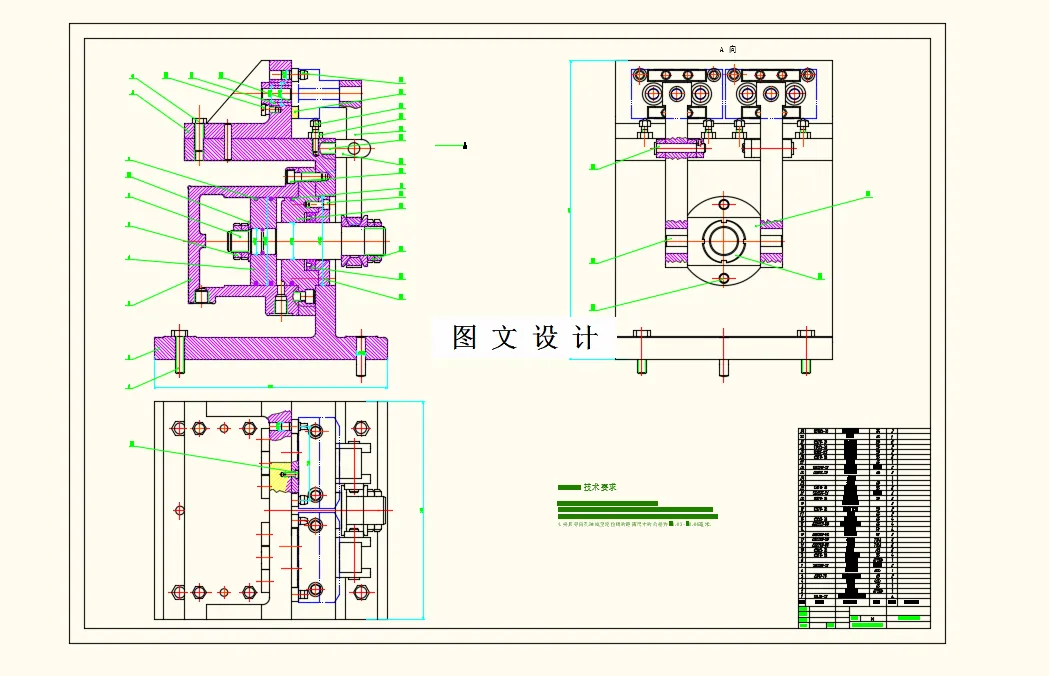
机床自十五世纪以来,已有五百多年的历史,加工技术日益发达,对零件的加工也将变得简单便捷。本次设计基于单面卧式组合钻床的基础下,对其油泵体零件上的孔系钻孔作业及其加工的性能仿真,进行夹具设计。通过对机械加工资料及夹具设计要求查找相关资料,并在市场上做实际调查,进而论证夹具设计。从工艺角度来分析加工油泵体零件。其中单面卧式组合钻床生产功率卡填写由钻床的工序图、加工示意图、机床总体图。夹具设计主要包括:定位方案的确定,加紧机构的设计、导向装置。最后采用 solidworks 三维绘图软件对其油泵体零件进行运动仿真,最后对活塞杆、钻模板、夹具体进行有限元分析。
关键词:夹具;运动仿真;单面卧式组合钻床;油泵体
目 录
摘要 I
Abstract II
○ 绪论 1
• 组合钻床设计背景及意义 1
• 组合钻床设计内容 1
• 钻床的设计步骤 1
○ 油泵体零件分析及机床的总体设计 2
• 油泵体零件的作用 2
• 零件的毛坏选择 2
• 零件的工艺分析 2
• 组合钻床总体设计 3
• 油泵体零件工序图 3
• 加工示意图的设计 4
• 机床动力部件选择及总体图设计 7
○ 夹具的设计 13
3.1 概述 13
• 夹具的定义 13
• 组合钻床夹具的作用 13
• 组合钻床夹具的组成和基本要求 13
• 定位方案的设计 13
• 定位方案的确定 13
• 工件的定位误差及产生原因 13
• 定位销的设计及定位误差的计算 14
• 组合钻床夹紧机构的设计及夹紧力的计算 16
• 夹紧机构设计的一般要求 16
• 夹紧力方向的确定 16
• 确定夹紧力时要考虑的实际情况 17
• 夹紧力的计算 17
• 夹紧机构的设计 18
• 油缸的参数计算 18
• 导向装置 19
• 导向装置概述 19
• 钻套类型的选择 20
• 钻套高度和钻套与工件之间的距离大小的确定 20
• 钻模板的结构及其设计 20
• 夹具体分析 20
3.5.1 概述 20
3.5.2 夹具体结构的选择 21
[10] 三维建模 22
• 夹具体的建模 22
• 钻模板的三维建模 23
• 活塞杆的建模 25
• 端盖的建模 26
• 其余零件的三维建模 28
[11] 钻床夹具机构的运动仿真 35
• 夹具机构装配 35
• 组合钻床的运动仿真 37
• 运动仿真结论 38
[12] 基于 Solidworks 的有限元分析 39
• 活塞杆的有限元分析 39
• 钻模板的有限元分析 41
• 夹具体的有限元分析 43
6.4 结论 45
结论 46
参考文献 47
致谢 48
温馨提示:
1、题目前面的备注【字母数字编号】为本站整理分类的编号,与课题内容无关,请选题时忽视;
2、若题目上备注三维,则表示文件里包含三维源文件,由于三维组成零件数量较多,为保证预览截图的简洁性,本站将三维文件夹进行了打包。三维及CAD预览截图,均为本站电脑打开软件进行截图的,保证能够打开,下载原件超高清,下载后解压即可;
3、本站所有资源如无特殊说明,都需要本地电脑安装Office2007。图纸软件为AutoCAD,PROE,UG,SolidWorks,CATIA等;
4、本站所有图文资料仅供用户学习参考,不作为任何商用或其他用途;
5、本站不保证下载资源的准确性、安全性和完整性, 不包修改,不支持退换,同时也不承担用户因使用这些下载资源对自己和他人造成任何形式的伤害或损失;
6、 下载文件中如有侵权或不适当内容,请与我们联系,我们立即纠正。