

作品包括:
Word版说明书1份,共31页,约8700字
CAD版本图纸,共3张
目录
第一部分 设计任务书……………………………………………………………………3
第二部分 各部分的设计计算……………………………………………………………4
一 传动方案分析……………………………………………………………4
二 电动机的选择计算………………………………………………………4
三 输送机总体动力参数选择计算…………………………………………4
四 齿轮的设计计算…………………………………………………………6
A 高速级齿轮设计………………………………………………………6
B 低速级齿轮设计………………………………………………………10
C 减速器的齿轮设计参数综合…………………………………………15
五 链传动的参数设计………………………………………………………15
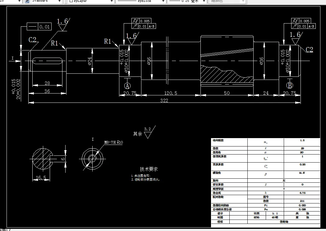
六 轴和键的设计计算………………………………………………………16
(一)轴1的设计计算……………………………………………………17
(二)轴2的设计计算……………………………………………………21
(三)轴3的设计计算……………………………………………………26
七 减速器的润滑与密封………………………………………………………30
八 附件的选择和计算………………………………………………………30
九 设计小结…………………………………………………………………31
十 参考资料…………………………………………………………………31
第三部分 设计图纸………………………………………………………………………31
温馨提示:
1、题目前面的备注【字母数字编号】为本站整理分类的编号,与课题内容无关,请选题时忽视;
2、若题目上备注三维,则表示文件里包含三维源文件,由于三维组成零件数量较多,为保证预览截图的简洁性,本站将三维文件夹进行了打包。三维及CAD预览截图,均为本站电脑打开软件进行截图的,保证能够打开,下载原件超高清,下载后解压即可;
3、本站所有资源如无特殊说明,都需要本地电脑安装Office2007。图纸软件为AutoCAD,PROE,UG,SolidWorks,CATIA等;
4、本站所有图文资料仅供用户学习参考,不作为任何商用或其他用途;
5、本站不保证下载资源的准确性、安全性和完整性, 不包修改,不支持退换,同时也不承担用户因使用这些下载资源对自己和他人造成任何形式的伤害或损失;
6、 下载文件中如有侵权或不适当内容,请与我们联系,我们立即纠正。