C513-多轴钻孔组合机床设计
C510-ZH1105柴油机气缸体三面粗镗组合机床设计(左主轴箱设计)
C508-ZH1105柴油机气缸体三面粗镗组合机床设计(夹具设计)
C507-ZH1105柴油机气缸体三面粗镗组合机床设计(后主轴箱设计)
C501-电磁阀体进出油口孔加工组合机床液压系统设计
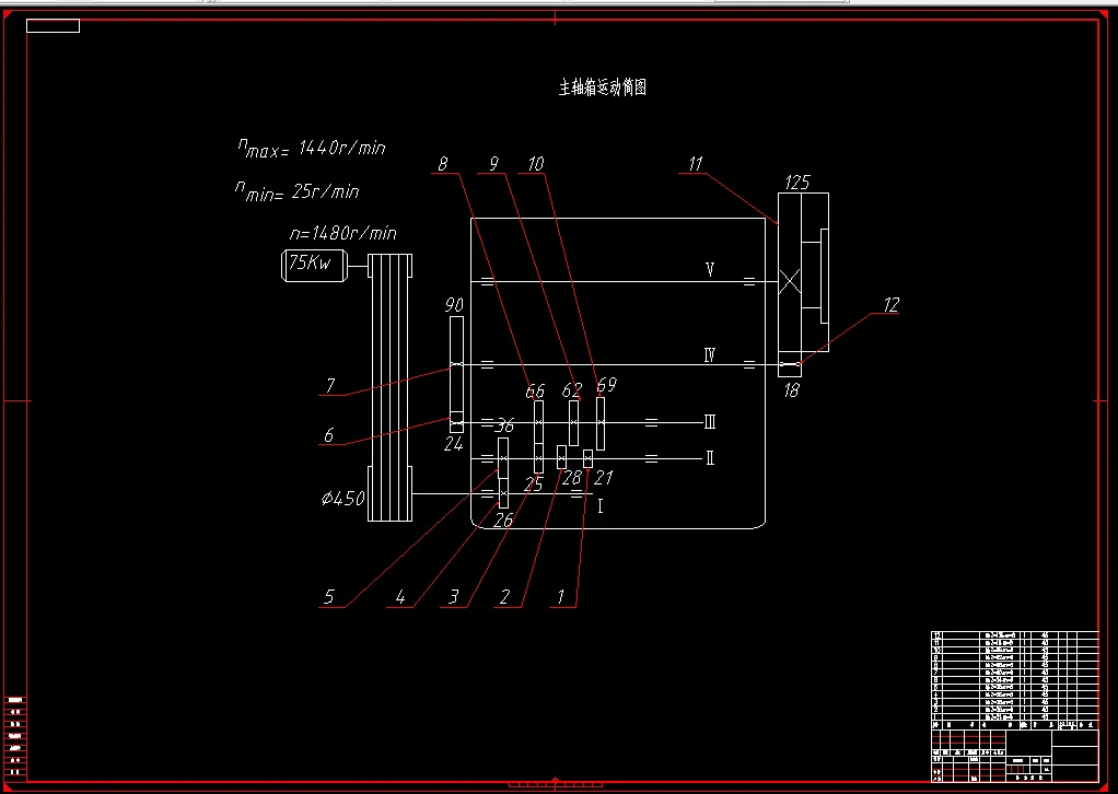
C467-机床主轴箱结构设计
C448-变速箱钻孔工位组合机床左多轴箱设计
C447-变速箱壳体专用卧式镗床结构设计
C444-半轴壳体左右两面孔加工组合机床的总体设计[含SW三维图]
C443-半轴壳体顶面及侧面孔加工组合机床多轴箱设计
C425机械设计课程设计-搓丝机传动装置设计F=10KN
C353-C6132横向进给运动系统数控改造 [机电-单片机]
C311-卧式双面23轴组合钻床前主轴箱设计
C263-双面卧式组合钻床设计
C231-CK6163数控车床纵向进给系统设计
C224-一级斜齿圆柱齿轮减速器T=900Nm,V=2.4ms,D=460mm
C223-二级分流式减速器设计F=1.9KN,V=1.6ms,D=350mm
D002-C6160卧式车床数控化改造设计
C160-XA5032普通立式升降台铣床的数控改造
C135-变速箱壳体组合机床夹具设计