DY965-S7-200 PLC和MCGS组态烟气脱硫工艺过程控制与监控
DY955-基于西门子S7-200的货物分拣系统的设计8区快递分拣八区
DY939-基于S7-200 PLC和MCGS组态的电机分段速度控制系统的设计
DY835-基于S7-200 PLC和组态王组态大棚温湿自动控制系统设计
DY777-MCGS组态液位流量串级控制系统的设计
DY768-Z3063钻床继电器接触器控制系统设计
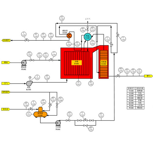
DY771-S7-300 PLC和Wincc组态自然循环锅炉控制系统的设计
DY773-基于S7-300 PLC和Wincc组态的自然循环锅炉控制系统设计
DY766-基于三菱PLC的电梯控制系统的设计4层四层电梯
DY751-基于S7-200 PLC饮料罐装传送控制系统设计
DY748-自动组装旋转工作台的PLC控制信捷PLC步进
DY736-基于西门子200PLC在自动化电梯扶手控制系统中的的应用
DY728-基于S7-200 PLC自动门控制(旋转门)系统设计
DY702-基于S7-200 PLC及组态王组态控制的玻璃生产流水线
DY704-S7-200 PLC柔性生产线供料、搬运单元综合程序设计
DY700-基于S7-200 PLC的顶弯拉伸控制系统的设计
DY696-继电器-接触器控制机场行李处理电气控制系统设计
DY690-继电器-接触器控制锅炉上煤机自动控制设计
DY689-继电器-接触器控制工业用空调电气控制系统设计
DY688-基于PLC的Modbus RTU网络下温度采集的设计紫金桥组态