DY268-基于三菱PLC的物料混合罐的混合装置设计
DY248-基于三菱PLC的高速公路出入口车辆故障报警控制系统设计
DY258-基于S7-200 PLC及组态王的智能小区路灯节能控制系统的设计
DY245-Omron PLC皮带输送机控制系统设计
DY249-S7-200 PLC十字路口带倒计时显示的交通信号灯控制
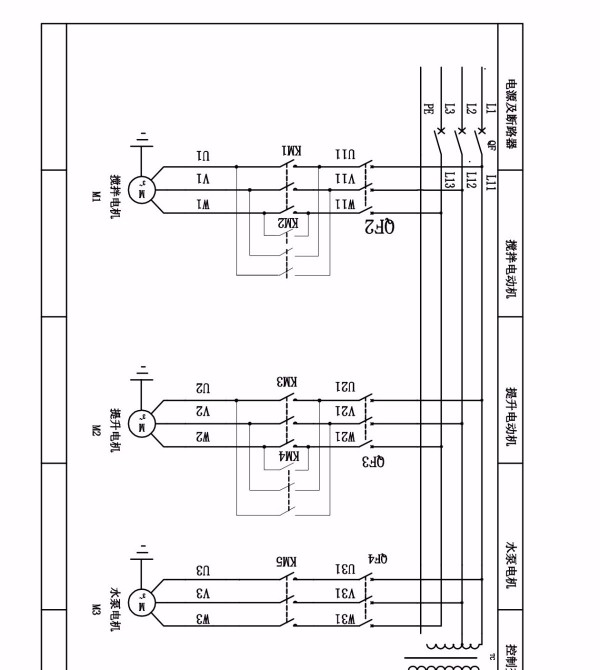
DY246-基于传统接触器控制的JZC500搅拌机电控系统设计
DY213-基于西门子S7-200PLC对矿场输送带控制系统的设计
DY209-三菱 坐标式机械手的PLC梯形图控制程序设计与调试
DY194-基于三菱PLC的智能家居控制系统设计
DY185-基于三菱PLC及组态王的户外广告屏的程序设计
N493-基于S7-200 PLC及MCGS组态的全自动洗衣机控制系统设计
DY174-基于S7-200 PLC及MCGS组态的自动淘米控制系统设计
DY176-基于S7-200 PLC及MCGS组态的电热水器水箱水位检测系统的设计
DY167-基于S7-200 PLC及MCGS组态的多粮仓温度控制系统的设计
Z873-基于S7-200 PLC及MCGS组态的苹果分拣机系统控制设计
N494-基于S7-200 PLC及MCGS组态的矿井通风安全控制系统设计
DY143-基于S7-200 PLC的智能居家控制系统设计
DY136-三菱 基于PLC的五层电梯控制系统的设计
DY132-基于S7-200 PLC停车位控制系统设计
DY133-基于S7-200 PLC的自动售货机控制系统设计