Z034-路面铣刨机提升机构设计
Z033-螺栓组联接实验台改进设计
Z032-基于1BF-160型拔杆粉碎还田机设计
Z031-机械传动实验台的研究与设计
Z030-双头锪组合机床自动夹具及其PLC设计
Z029-微型货车有极式普通变速器性能实验台机械装置设计
Z028-中间罐小车设计[含SW三维图]
Z027-中型货车有级式普通变速器性能试验台机械装置设计
Z026-巡线机器人的设计
Z025-压缩式垃圾车尾部填料机构设计
Z024-校园垃圾拾捡机器人抓取及驱动机构设计
Z023-香蕉秸秆根茬还田机的主传动粉碎机构设计
Z022-液压支架掩护梁及四连杆机构设计
Z021-圆锯床设计
Z020-弧面蜗杆加工专用数控机床及控制系统设计
Z018-基于二次调节的减速器加载试验台设计
Z017-加工中心40刀刀库设计(链式刀库)
Z016-板材送料装置的设计
Z015-半自动立体存车库横向输送装置设计
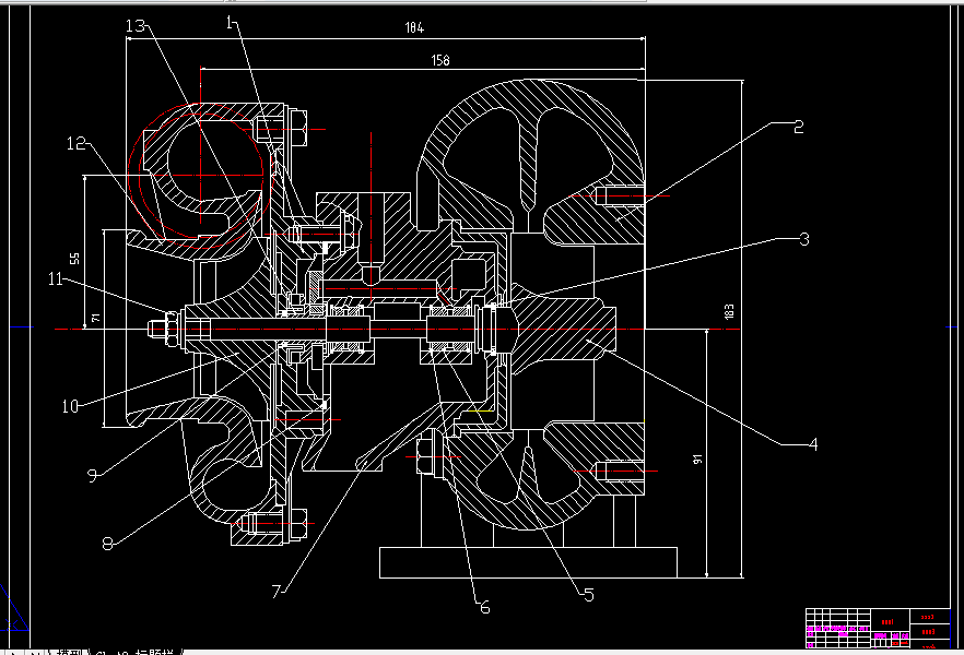
Z014-大功率涡轮增压器结构设计