J231-ZL50装载机工作装置设计[含SW三维图]
J218-微滤机样机虚拟设计[含SW三维图]
J215-微小型共轴双旋翼飞行器设计[含SW三维图]
J213-液压剪板机液压系统设计
J211-沥青路再生设备控制系统设计
J204-ZL120型整体动臂装载机设计
J201-20×2500板材剪床机械结构与控制系统设计
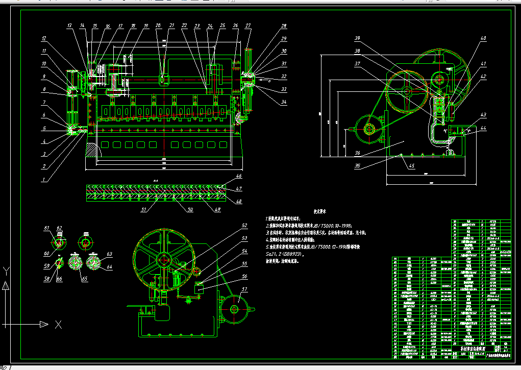
J196-EA113汽油机曲柄连杆机构设计
J195-低速载货汽车后驱动桥的设计
J192-轻型龙门铣床XKQ2010×30设计
J190-三缸单作用乳化液泵的设计
J189-乳化液泵的设计
J188-能自动配比的乳化液泵站设计
J187-santana2000轿车制动系统的设计
J184-气压传动两维运动机械手设计
J180-矿用固定式带式输送机的设计
J179-给料装置传动系统的设计
J175-炼钢转炉专用气动蝶阀的结构设计
J172-TD650带式输送机设计
J171-Y-6.3S型液压机机械结构设计