B713-太阳能混合动力观光车驱动系统设计
B711-7座MPV造型整体布置设计-通用别克GL8商务车型
B710-双头立式钻床机械结构设计
B709-内圆弧曲面专用数控车床的工作台设计
B708-太阳能集热器防干晒系统设计
B691-TY220履带式推土机驱动桥设计
B689-发动机排气管设计[含Proe三维图]维普查重20%
B688-手扶式落叶收集机设计[含Proe三维图]
B687-七辊棒材矫直机设计
B684汽车设计课程设计-两轴五档变速器设计
B682-桔油分离机设计
B680-高效立式行星球磨机设计
B679-带式运输机电动滚筒的设计
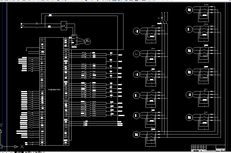
B678-城市多层泊车立体库结构及PLC控制设计
B677-半轴套管拆装机设计
B671-刀剪专用数控磨床的旋转消隙机构设计
B663-六自由度搬运机械手的设计
B660-水泥砖块测量机总体设计
B659-加工中心侧铣头结构设计
B652-氮气烧结炉承载及运行系统设计