

作品包括:
说明书1份,共69页,约17000字左右
CAD版本本图纸,共6张
摘 要
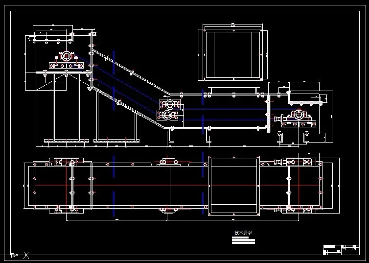
本次毕业设计题目是数控机床的自动排屑装置设计。本人致力于整机机械系统的设计,即包括电动机的选择,带传动设计,减速器的设计,链传动的设计,排屑装置外形的设计。设计思路是从排屑机的性能和动作要求入手,并以国内的质量和技术性能接近设计要求的排屑机为基础,研究国外的先进机型,设计出市场需求的以经济为第一设计原则的适用于数控机床的排屑装置。图纸采用Auto CAD 绘制。经过认真地设计计算,查找资料撰写设计论文。
本文的排屑装置,它是针对市场的需要而设计的,从而能有效地满足当今市场上对排屑装置的需求,它具有如下的优点:传动平稳,传动效率搞,生产效率高,劳动强度低,产品质量好,经济性好,人性化等优点。
关键词 数控机床,排屑装置,机械系统
目 录
摘 要 I
ABSTRACT II
1 绪 论 1
1.1 本课题研究目的与意义 1
1.2 本课题国内外发展概况 1
1.3 自动排屑装置的发展趋势 1
2 系统总体方案的确定 3
2.1 设计思想 3
2.2 初选电机减速器系统方案 3
2.3 输送处传动系统的确定 4
2.4 系统总体方案的确定 4
3 电动机的选择 6
3.1 电动机类型选择 6
3.2 电动机功率的选择 6
3.4 确定电动机型号 6
4 V带的设计计算 7
4.1 传动比的分配 7
4.2 各轴的转速、功率和转矩 7
4.3 带传动方案的确定 8
4.4 带传动设计计算 8
4.5 带轮的结构设计 10
5 减速器的设计 12
5.1 齿轮的设计 12
5.1.1 高速级齿轮设计计算: 12
5.1.2 低速级齿轮设计计算 16
5.2 轴的设计计算 20
5.2.1 低速轴(轴3)的设计计算 20
5.2.2 中间(轴2)轴的设计计算 22
5.2.3 输入轴(轴1)的设计计算 23
5.3 轴的校核 24
5.3.1 输出轴(轴3)的校核 24
5.3.2 中间轴(轴2)的校核 26
5.3.3 输入轴(轴1)的校核 28
5.4 轴承的校核 30
5.4.1 输入轴上轴承的校核 30
5.4.2 中间轴的校核 31
5.4.3 输出轴上轴承的校核 33
5.5 键的选择和校核 34
5.5.1 输入轴上联轴器处的键 34
5.5.2 中间轴上的键 34
5.5.3 输出轴上的键 35
5.6 减速器箱体的设计 35
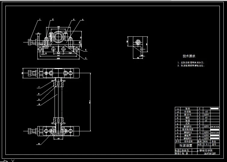
6 链传动设计的计算 38
6.1 链传动方案的确定 38
6.2 链传动的设计计算 38
6.3 链轮的结构设计 40
6.3.1 主、从动轮设计 40
6.3.2 惰轮设计 43
6.4 链的校核 45
6.5 刮板链的设计 46
6.6 链轮轴的设计 48
6.6.1 各轴的转速,功率和转矩 48
6.6.2 轴4的设计计算 48
6.6.3 轴5的设计计算 50
6.6.4 轴6的设计计算 51
6.7 轴的校核 52
6.7.1 轴4的校核 52
6.7.2 轴5的校核 53
6.7.3 轴6的校核 55
6.8 轴承的校核 56
6.9 键的选择和校核 57
6.9.1 轴4上联轴器处的键 57
6.9.2 轴4上链轮处的键 57
6.9.3 轴5上链轮处的键 58
6.9.4 轴6上链轮处的键 58
7 排屑装置箱体的设计 60
8 排屑装置的保养与维护 61
8.1 排屑装置的保养 61
8.2 排屑装置的维修 61
结 论 62
参 考 文 献 63
致 谢 64
温馨提示:
1、题目前面的备注【字母数字编号】为本站整理分类的编号,与课题内容无关,请选题时忽视;
2、若题目上备注三维,则表示文件里包含三维源文件,由于三维组成零件数量较多,为保证预览截图的简洁性,本站将三维文件夹进行了打包。三维及CAD预览截图,均为本站电脑打开软件进行截图的,保证能够打开,下载原件超高清,下载后解压即可;
3、本站所有资源如无特殊说明,都需要本地电脑安装Office2007。图纸软件为AutoCAD,PROE,UG,SolidWorks,CATIA等;
4、本站所有图文资料仅供用户学习参考,不作为任何商用或其他用途;
5、本站不保证下载资源的准确性、安全性和完整性, 不包修改,不支持退换,同时也不承担用户因使用这些下载资源对自己和他人造成任何形式的伤害或损失;
6、 下载文件中如有侵权或不适当内容,请与我们联系,我们立即纠正。