

作品包括:
Word版设计说明书1份,共26页,约10000字
任务书一份
外文翻译一份
实习报告一份
CAD版本图纸,共28张
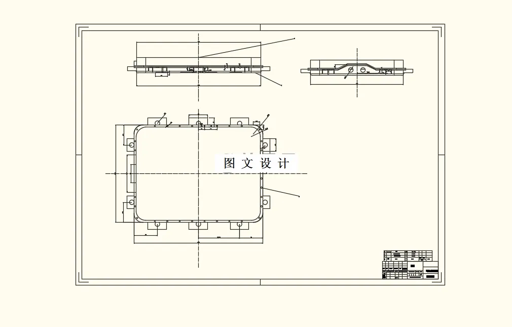
1WX-90型植树挖穴机设计
摘 要:现代新型挖坑机的研发主要向系列化、多功能和高性能方向发展。本植树挖坑机是针对目前使用广泛的江苏50型四轮拖拉机配套而设计的。悬挂式挖坑机采用与拖拉机三点悬挂式联接,即钻头在悬挂支臂的一端,支臂的另一端置于拖拉机悬挂支点上。
本挖坑机主要是对传统的悬挂式植树挖坑机的传动部分和挖掘部分的改进。在主轴箱设计方面,根据江苏50型拖拉机的传动参数,合理的设计锥齿轮的传动比以及强度计算等。在总体设计方面,尽量简化挖坑机的结构,减少其零件数目,以降低成本。对于双螺旋叶片设计,其直径由下往上逐渐减小,其螺旋夹角也由下往上逐渐减小,以避免钻头工作时与塘壁发生碰撞和摩擦等情况,提高了工作稳定性。
关键词:挖坑机;悬挂;双螺旋叶片
目 录
1 引言 1
1.1 本课题的设计意义 1
1.2 国内(外)发展概况及现状 1
1.3 课题由来及设计条件 2
1.4 课题设计思路 3
2总体方案设计 3
2.1整机构介绍 3
2.2 作业原理 3
2.3 挖穴机与拖拉机的联接 4
2.4 挖穴机的动力部分 4
2.4.1功率及挖坑幅度计算 5
2.5 挖坑机主要技术规格和基本技术参数 6
3部件设计 7
3.1 螺旋叶的设计 7
3.1.1 钻头的设计 7
3.1.2 双螺旋叶片的设计 7
4 设计计算 8
4.1动力分配计算 8
4.2 万向联轴器的选用计算 8
4.2.1 万向节总成 8
4.3 齿轮轴 8
4.4 轴承的选用与计算 10
5主要零件强度计算 12
5.1齿轮的校核计算 12
5.2 主轴的校核计算 15
6挖坑机使用和使用中的注意事项 21
6.1挖坑机使用 21
6.2使用中的注意事项 21
7结论 22
参考文献 23
致 谢 24
附件清单 25
温馨提示:
1、题目前面的备注【字母数字编号】为本站整理分类的编号,与课题内容无关,请选题时忽视;
2、若题目上备注三维,则表示文件里包含三维源文件,由于三维组成零件数量较多,为保证预览截图的简洁性,本站将三维文件夹进行了打包。三维及CAD预览截图,均为本站电脑打开软件进行截图的,保证能够打开,下载原件超高清,下载后解压即可;
3、本站所有资源如无特殊说明,都需要本地电脑安装Office2007。图纸软件为AutoCAD,PROE,UG,SolidWorks,CATIA等;
4、本站所有图文资料仅供用户学习参考,不作为任何商用或其他用途;
5、本站不保证下载资源的准确性、安全性和完整性, 不包修改,不支持退换,同时也不承担用户因使用这些下载资源对自己和他人造成任何形式的伤害或损失;
6、 下载文件中如有侵权或不适当内容,请与我们联系,我们立即纠正。