

作品包括:
Word版本说明书一份
S7-200 PLC程序一份
电气CAD图纸一份
IO分配
第1章总体设计4
1.1拖动电机4
1.2控制要求4
1.3输入及执行代号4
1.4动作逻辑顺序5
第2章硬件设计7
2.1PLC选择7
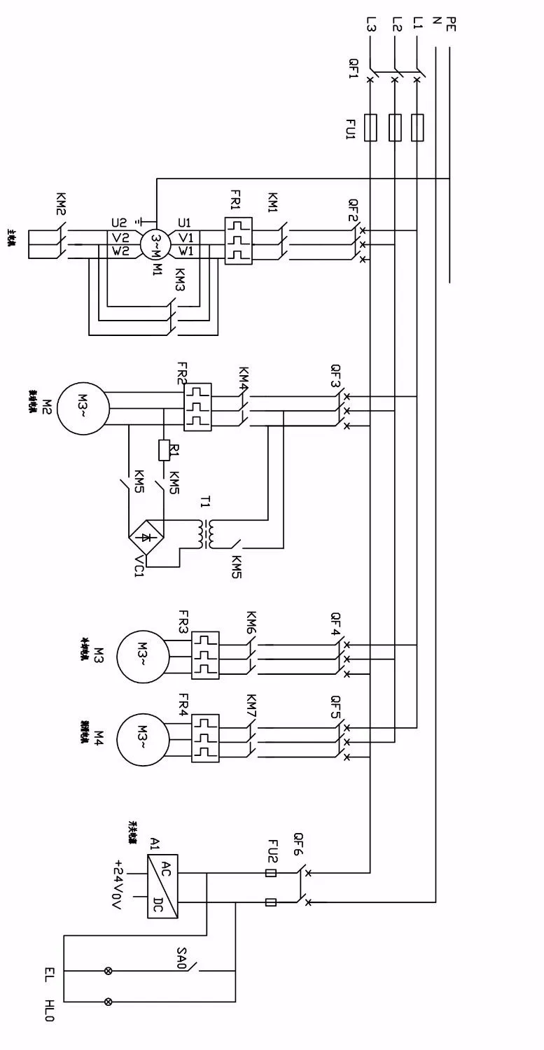
2.2主电路设计7
2.3控制电路设计9
2.4 PLC输入和输出分配9
2.5 PLC输入和输出接线图10
2.6柜内器件布置图12
2.7面板图13
2.8端子接线图15
2.9柜体尺寸图16
2.10面板接线图图16
2.11柜内器件布置接线图18
2.12器件清单20
第3章软件设计22
3.1 PLC内部使用地址22
3.2梯形图24
3.2.1主程序24
3.2.2搅拌控制子程序29
3.2.3泵送控制子程序32
3.3语句表41
3.3.1主程序41
3.3.2搅拌控制子程序44
3.3.3泵送控制子程序46
结论55
参考文献56
附录57附录1电气原理图57
附录2 PLC输入和输出接线图
温馨提示:
1、题目前面的备注【字母数字编号】为本站整理分类的编号,与课题内容无关,请选题时忽视;
2、若题目上备注三维,则表示文件里包含三维源文件,由于三维组成零件数量较多,为保证预览截图的简洁性,本站将三维文件夹进行了打包。三维及CAD预览截图,均为本站电脑打开软件进行截图的,保证能够打开,下载原件超高清,下载后解压即可;
3、本站所有资源如无特殊说明,都需要本地电脑安装Office2007。图纸软件为AutoCAD,PROE,UG,SolidWorks,CATIA等;
4、本站所有图文资料仅供用户学习参考,不作为任何商用或其他用途;
5、本站不保证下载资源的准确性、安全性和完整性, 不包修改,不支持退换,同时也不承担用户因使用这些下载资源对自己和他人造成任何形式的伤害或损失;
6、 下载文件中如有侵权或不适当内容,请与我们联系,我们立即纠正。