

作品包括:
Word版说明书1份,共42页,约13000字
任务书一份
开题报告一份
CAD版本图纸,共3张
Proe三维图一套

摘要
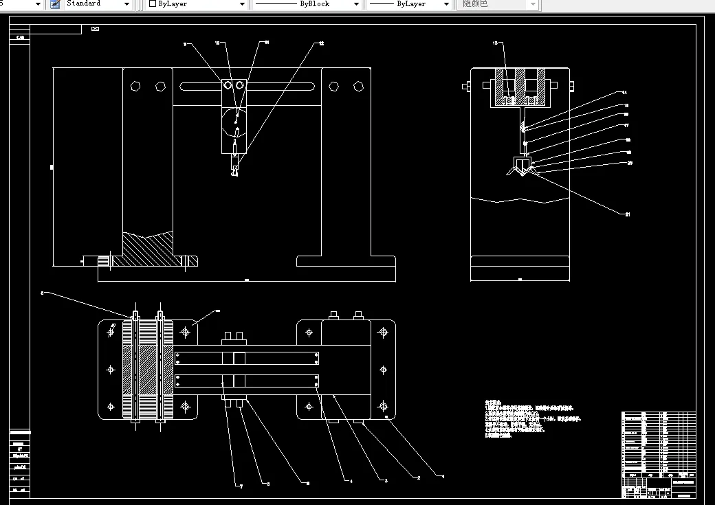
转塔车床是具有能装多把刀的转塔刀架的车床,由于转塔刀架可以转位,过去大多呈六角形,故转塔车床旧称六角车床。专用转塔车床是针对某种零件专门设计的转塔车床,本文主要是设计一种可以用于加工煤电钻端盖上的三组孔和有关的外圆及端面的专用转塔车床的转塔刀架。
此设计中对专用转塔刀架的设计,降低了机床的设计成本,同时能够更好的适用于生产实践。本文主要的设计内容不是整个转塔车床,而是对其转塔刀架的结构设计。转塔刀架,主要由转塔头、转塔滑座、转塔导轨以及其他辅助元件组成。在设计过程中运用了类比的设计方法和大胆组合设计创新方法,改善了转塔车床加工零件的精度。
该机床的传动方式采用机械传动与液压传动相结合的方式实现了加工过程的自动化,提高了机床的工作效率。
关键词:专用转塔车床;转塔刀架;转塔头。
目录
摘要I
Abstract II
第1章绪论1
1.1选题的背景1
1.2数控机床常用的换刀装置1
1.3数控刀架的发展方向与趋势3
1.4课题研究的目的与意义4
1.4.1课题研究的目的4
1.4.2课题研究的意义4
第2章转塔刀架总体方案设计7
2.1转塔刀架总体方案设计7
2.1.1转塔刀架的结构形式选择7
2.1.2转塔刀架的总体设计7
2.1.3转塔刀架的主要运动原理8
2.1.4转塔刀架的结构图8
2.2转塔刀架的典型零部件设计11
2.2.1刀架轴的结构设计11
2.2.2转塔头的设计13
2.2.3转塔滑座结构设计14
2.2.5转塔刀架齿轮传动的设计15
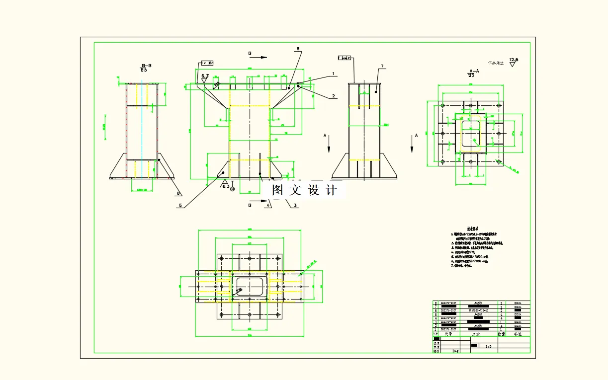
第3章刀架辅助元件的设计和选用19
3.1油箱的设计和功能19
3.2滤油器的设计19
3.3液压缸的设计20
3.3.1液压缸的选择20
3.3.2液压缸主要尺寸的计算20
3.4活塞组件的设计和选用22
3.4.1活塞的设计22
3.4.2活塞杆及连接结构的设计22
第4章转塔刀架液压传动系统设计25
4.1液压系统的组成部分及作用25
4.2液压系统设计和选用26
总结29
参考文献30
致谢33
附录35
温馨提示:
1、题目前面的备注【字母数字编号】为本站整理分类的编号,与课题内容无关,请选题时忽视;
2、若题目上备注三维,则表示文件里包含三维源文件,由于三维组成零件数量较多,为保证预览截图的简洁性,本站将三维文件夹进行了打包。三维及CAD预览截图,均为本站电脑打开软件进行截图的,保证能够打开,下载原件超高清,下载后解压即可;
3、本站所有资源如无特殊说明,都需要本地电脑安装Office2007。图纸软件为AutoCAD,PROE,UG,SolidWorks,CATIA等;
4、本站所有图文资料仅供用户学习参考,不作为任何商用或其他用途;
5、本站不保证下载资源的准确性、安全性和完整性, 不包修改,不支持退换,同时也不承担用户因使用这些下载资源对自己和他人造成任何形式的伤害或损失;
6、 下载文件中如有侵权或不适当内容,请与我们联系,我们立即纠正。