

作品包括:
Word版说明书1份,共41页,约16000字
开题报告一份
PPT答辩一份
CAD版本图纸,共10张

摘要
随着我国GDP的快速发展,越来越多的人把汽车带到家庭中,这使得我国城市的停车难的问题变得越来越严重。各种立体车库已成为解决停车难问题最有效的方法之一,其中升降横移式车库是应用最广泛的立体车库。
此次设计的主要内容是包括商场和小区的多层自动立体车库的机械结构设计。自动立体车库可根据具体情况分为立式升降式,立式循环式,升降横式,平面移动式,道路堆垛式,简易升降式,水平循环式等。本设计主要对三层升降横移式立体车库进行比较详细的机械结构设计和对比较关键部位的受力分析并校核以及对控制系统和电机的设计。
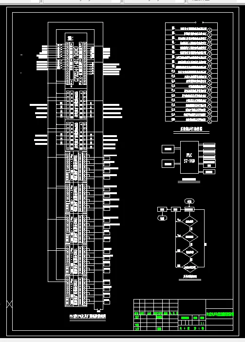
柱型结构型式钢结构立体车库由于其结构比较简单并且有较大的使用范围,文中对其进行详尽的机械结构设计。本文主要对立体车库的控制系统,支撑柱,纵梁,横梁以及载车板进行比较详尽的受力分析和校核。除此之外,本文中的立体车库采用的是PLC系统进行传动,采用电动机和链条驱动的立体车库。PLC传动的优点在于其控制比较简单,操作人员仅仅按动几个按钮就可实现存取车。并且运行比较安全,有急停的控制,使其适用于更多场合。另外,在车库的文中还简单介绍了车库在运行中比较重要的安全保护装置等。最后,还绘制了立体车库的总装图和零件图。
关键词:立体车库;结构设计;PLC;
目录
第一章绪论1
1.1课题研究的意义及内容1
1.1.1本课题研究的意义1
1.1.2本课题研究的内容是1
1.2国内外立体车库的发展概况2
1.2.1国外立体车库发展状况2
1.2.2国内立体车库的发展状况3
1.3立体车库的分类4
1.4本章小结4
第二章立体车库的总体设计方案5
2.1升降横移自动立体车库选型5
2.2立体车库提升方式的选择6
2.3立体车库的其他部件6
2.4自动立体车库的设计参数7
2.5立体车库结构设计的内容及要求7
2.6本章小结8
第三章立体车库主体框架设计9
3.1立体车库的工作原理9
3.2立体车库钢结构设计10
3.2.1支撑柱的相关设计11
3.2.2对横梁的受力分析13
3.2.3对于纵梁的受力分析16
3.3载车板受力分析校核18
3.4本章小结19
第四章立体车库的传动系统21
4.1上下层载车板的垂直升降装置设计21
4.2中间层载车板横向移动装置设计23
4.3本章小结24
第五章立体车库的相关配套系统26
5.1安全系统的介绍26
5.2立体车库的控制系统28
5.3本章小结33
第六章结论与对未来的期盼34
6.1结论34
6.2对以未来国内的立体车库市场的期盼34
参考文献35
谢辞35
温馨提示:
1、题目前面的备注【字母数字编号】为本站整理分类的编号,与课题内容无关,请选题时忽视;
2、若题目上备注三维,则表示文件里包含三维源文件,由于三维组成零件数量较多,为保证预览截图的简洁性,本站将三维文件夹进行了打包。三维及CAD预览截图,均为本站电脑打开软件进行截图的,保证能够打开,下载原件超高清,下载后解压即可;
3、本站所有资源如无特殊说明,都需要本地电脑安装Office2007。图纸软件为AutoCAD,PROE,UG,SolidWorks,CATIA等;
4、本站所有图文资料仅供用户学习参考,不作为任何商用或其他用途;
5、本站不保证下载资源的准确性、安全性和完整性, 不包修改,不支持退换,同时也不承担用户因使用这些下载资源对自己和他人造成任何形式的伤害或损失;
6、 下载文件中如有侵权或不适当内容,请与我们联系,我们立即纠正。