

作品包括:
Word版说明书1份,共27页,约11000字
文献综述一份
开题报告一份
CAD版本图纸,共5张

摘要
在我国,截止到2005年底,全国滴灌面积已达2133. 8万hm2,但其应用面积仅占我国总灌溉面积的1%,其主要原因之一就是滴灌工程单位造价过高。通过降低常规滴灌系统的运行压力来降低滴灌工程单位造价已渐成为目前滴灌技术一个新的热点研究方向。灌水器是滴灌系统的最重要的组成部件之一,其水力特性对系统灌水的均匀性、造价和系统寿命影响很大。目前,世界滴灌灌水器研究的发展趋势主要有两个方面,一是发展大流道灌水器,增强灌水器的抗堵塞性能;二是开发各种压力补偿式灌水器,提高系统的灌水均匀性。
本文对压力补偿灌水器结构进行设计,同时实际一台性能试验机完成对压力补偿灌水器性能测试。本文主要设计试验机的动力单元。
关键词:滴灌;压力补偿灌水器;试验机
目录
摘要1
ABSTRACT 2
第一章前言5
1.1课题研究的意义5
1.2课题的研究现状6
1.3本文主要研究的内容8
第二章压力补偿灌水器结构设计9
2.1常用压力补偿灌水器分类9
2.1.1孔口式压力补偿灌水器9
2.1.2扁平式压力补偿灌水器11
2.1.3圆柱式压力补偿灌水器13
2.1本次方案的确认16
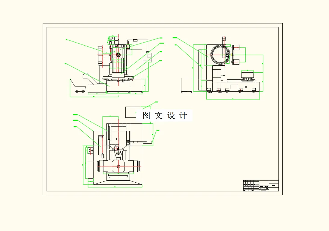
第三章压力补偿灌水器试验机方案确认18
3.1试验原理18
3.2动力单元方案确认18
3.2.1流体传动18
3.2.2流体传动有点19
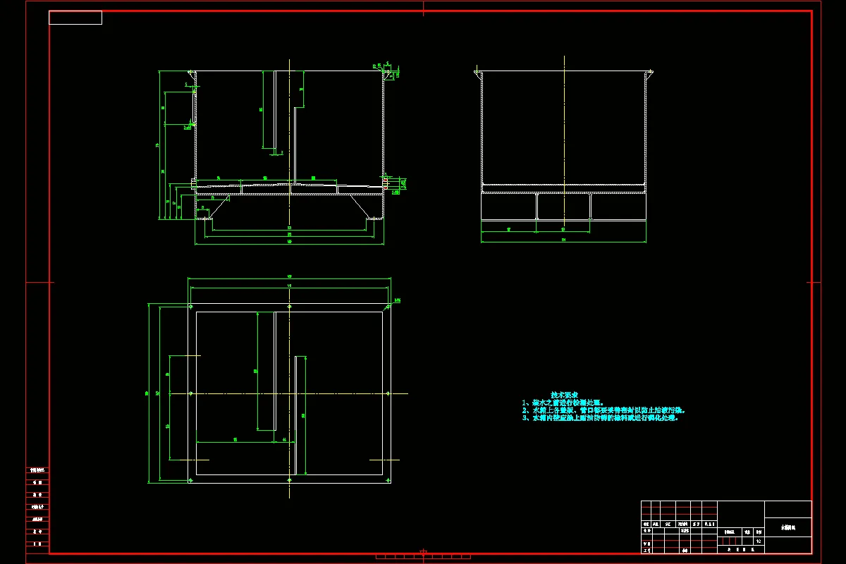
第四章试验装置的设计21
4.1技术要求及工况分析21
4.2拟定系统原理图21
4.3系统的计算(参照液压系统计算) 22
4.3.1水泵和电机的确定22
4.3.2确定管道尺寸23
4.3.3确定水水箱容积23
4.4系统的验算24
4.4.1压力损失的验算24
4.4完成试验装置装配图25
结论26
参考文献27
致谢28
温馨提示:
1、题目前面的备注【字母数字编号】为本站整理分类的编号,与课题内容无关,请选题时忽视;
2、若题目上备注三维,则表示文件里包含三维源文件,由于三维组成零件数量较多,为保证预览截图的简洁性,本站将三维文件夹进行了打包。三维及CAD预览截图,均为本站电脑打开软件进行截图的,保证能够打开,下载原件超高清,下载后解压即可;
3、本站所有资源如无特殊说明,都需要本地电脑安装Office2007。图纸软件为AutoCAD,PROE,UG,SolidWorks,CATIA等;
4、本站所有图文资料仅供用户学习参考,不作为任何商用或其他用途;
5、本站不保证下载资源的准确性、安全性和完整性, 不包修改,不支持退换,同时也不承担用户因使用这些下载资源对自己和他人造成任何形式的伤害或损失;
6、 下载文件中如有侵权或不适当内容,请与我们联系,我们立即纠正。