

作品包括:
Word版说明书1份,共47页,约12000字
CAD版本图纸,共45张

目录
引言 6
一、 心形卷笔刀自动化装配线系统设计简述 7
1.1心形卷笔刀自动化装配线的设计要求 7
1.1.1要求简述 7
1.1.2三维建模 8
1.1.3电路及硬件设计 8
1.1.4装配图绘制 8
1.1.5编写设计说明书 8
1.2心形卷笔刀自动化装配线概述 8
1.3心形卷笔刀自动化装配线系统思路 8
1.4自动装配机的组成 9
1.4.1零部件定向排列、输送、擒纵系统: 9
1.5系统各个工位功能概述 10
1.5.1壳体的分拣 11
1.5.2推刀片: 11
1.5.3拧螺丝: 11
1.5.4检测: 12
1.5.5不合格心形卷笔刀推出: 12
1.5.6合格心形卷笔刀推出: 12
二、 分拣工位的设计 12
2.1分拣工位的基本功能 12
2.1.1分拣工位的基本结构: 12
2.1.2分拣工位的设计原理: 12
2.1.3振动盘筛选特定位置的心形卷笔刀: 12
2.1.4振动盘筛选的功能及优点: 13
2.1.5振动盘送料过程中工件在轨道上的受力分析: 14
2.1.6振动盘供料率的计算: 15
三、 料斗设计 15
3.1料斗的结构设计 15
3.2料斗筒体与轨道 16
3.3料斗筒体与筒底(料斗底盘) 16
3.4轨道及其出口 16
3.5料斗的零件材料选用 17
3.6振动料斗中工件定向方法 17
3.7料斗的尺寸计算 17
3.7.1料斗的螺旋升角α: 17
3.7.2料斗的直径: 18
3.7.3轨道 19
3.7.4材料选择 21
四、 装刀片工位的设计 21
4.1装刀片工位的基本功能 21
4.2装刀片工位的基本结构及原理 21
4.3装刀片工位的气动控制回路 22
4.3.1推刀片气缸类型的选择: 22
4.3.2推刀片气缸安装形式 : 22
4.3.3推刀片气缸作用力的大小 即缸径的选择: 22
4.3.4活塞行程 : 23
4.3.5活塞的运动速度 : 23
4.3.6 限位气缸的安装形式 : 23
4.3.7 限位气缸的作用力的大小即缸径的选择: 24
4.3.8 限位气缸的活塞行程: 24
4.3.9活塞的运动速度: 24
4.4装刀片工位的单片机控制系统 24
4.4.1组成部分 24
4.4.2程序编译: 25
五、 拧螺丝工位的设计 25
5.1拧螺丝工位的基本功能 25
5.2拧螺丝工位的基本结构及原理 25
5.3拧螺丝工位的单片机控制系统 26
六、 螺丝筛选振动盘设计 27
6.1工作原理: 27
6.2工件在轨道上的受力分析: 27
6.3供料率 28
七、 料斗设计 29
7.1料斗的结构设计 29
7.2料斗筒体与轨道 29
7.3料斗筒体与筒底(料斗底盘) 29
7.4轨道及其出口 30
7.5料斗的零件材料选用 30
7.6振动料斗中工件定向方法 31
7.7料斗的尺寸计算 31
7.7.1料斗的螺旋升角α: 31
7.7.2料斗的直径 31
八、 检测工位的设计 33
8.1检测工位的基本功能 33
8.2检测工位的基本结构及原理 33
8.3检测工位的气缸选择 33
8.3.1检测工位气缸类型的选择: 34
8.3.2检测工位气缸安装形式 : 34
8.3.3检测工位气缸作用力的大小 即缸径的选择: 34
8.3.4检测工位气缸的活塞行程: 34
8.4.5活塞的运动速度 34
8.4检测工位的检测控制回路 34
8.5检测工位的气动控制回路 35
8.6检测工位的单片机控制系统 35
九、 推出工位的设计 36
9.1推出工位的基本功能 36
9.2推出工位的基本结构及原理 36
9.3推出工位的气动控制回路 37
9.3.1推出工位的气缸选择: 37
9.3.2推出工位的气缸类型的选择 : 37
9.3.3推出工位的气缸安装形式 : 37
9.3.4推出工位的气缸的活塞行程 : 37
9.3.5推出工位的气缸活塞的运动速度 : 37
9.4推出工位的单片机控制系统 38
十、 电机分度盘的设计 39
10.1电机分度盘的基本功能 39
10.2电机分度盘的基本结构及原理 40
十一、 夹具的设计 40
11.1夹具的基本功能 40
11.2夹具的基本结构及原理 41
十二、 整体控制 41
12.1总体方案 41
12.2流程图 42
12.3电子元件选型 43
12.3.1各类元器件选择: 43
12.3.2元器件作用介绍: 43
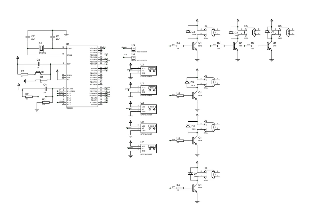
12.4电路图设计 44
12.5程序设计 45
参考文献 51
温馨提示:
1、题目前面的备注【字母数字编号】为本站整理分类的编号,与课题内容无关,请选题时忽视;
2、若题目上备注三维,则表示文件里包含三维源文件,由于三维组成零件数量较多,为保证预览截图的简洁性,本站将三维文件夹进行了打包。三维及CAD预览截图,均为本站电脑打开软件进行截图的,保证能够打开,下载原件超高清,下载后解压即可;
3、本站所有资源如无特殊说明,都需要本地电脑安装Office2007。图纸软件为AutoCAD,PROE,UG,SolidWorks,CATIA等;
4、本站所有图文资料仅供用户学习参考,不作为任何商用或其他用途;
5、本站不保证下载资源的准确性、安全性和完整性, 不包修改,不支持退换,同时也不承担用户因使用这些下载资源对自己和他人造成任何形式的伤害或损失;
6、 下载文件中如有侵权或不适当内容,请与我们联系,我们立即纠正。