

作品包括:
Word版说明书1份,共34页,约15000字
任务书一份
开题报告一份
外文翻译一份
文献综述一份
CAD版本图纸,共16张

摘要:本次毕业设计主要是完成浇注机传动部分设计。浇注机升降平台采用T形丝杠传动,动力传动部分采用由一个电机通过传动轴和锥齿轮带动两个丝杠进行传动;考虑负载较重和工作台尺寸较大,采用两根丝杠传动和四根光杆导向。本文对浇注机传动部分做了简单的介绍;浇注机传动部分由两个主要部件组成:传动机构、导向机构,传动机构主要利用了齿轮啮合机构与螺旋传动机构,主要解决了螺旋传动机构中丝杆的调平问题。分析了浇注机传动部分机构中的零件的选型原则及计算方法;根据设计准则与计算选型确定机械结构,对所设计的传动部分各主要零部件进行了校核。最后,提出了浇注机传动部分设计过程中存在的不足,以便于今后设计的改进。
关键词:浇注机;螺旋传动;丝杠
目录
第1章 绪论 1
1.1 课题背景 1
1.2 研究课题的任务 1
1.3 研究课题的意义 1
第2章 总体方案的确定 2
2.1 浇注机设计要求 2
2.2 浇注机工艺路线分析 2
2.3 浇注机升降平台的方案选择 3
2.4 浇注机传动方案的确定 5
第3章 电机的选择及传动部分的结构设计 11
3.1 电机的选择: 11
3.1.1 电机类型的选择 11
3.1.2 电机功率确定 11
3.1.3 电机的型号确定 11
3.1.4 电机的安装及维护 11
3.2 传动机构-锥齿轮传动机构的设计 12
3.2.1 锥齿轮材料的选择 12
3.2.2 锥齿轮机构 12
3.2.3 锥齿轮的设计 12
3.2.4 锥齿轮与锥齿轮之间的润滑 13
3.3 传动机构——渐开线圆柱齿轮传动机构的设计 13
3.3.1 渐开线圆柱齿轮材料的选择 13
3.3.2 渐开线圆柱齿轮机构 13
3.3.3 渐开线圆柱齿轮的设计 13
3.3.4 齿轮与齿轮之间的润滑 16
3.4 传动机构——螺旋传动机构的设计 16
3.4.1 丝杆与丝杆螺母材料的选择 16
3.4.2 螺旋传动机构 16
3.4.3 丝杆与丝杆螺母的设计 17
3.4.4 丝杆与丝杆螺母的润滑 18
3.5 导向机构——锥齿轮轴的设计 18
3.5.1 锥齿轮轴的选材 18
3.5.2 锥齿轮轴的设计 19
3.6 导向机构——导杆轴的设计 19
3.6.1 导杆轴的选材 19
3.6.2 导杆轴的设计 20
第4章 浇注机升降平台传动部分的校核 21
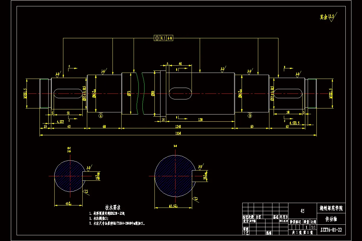
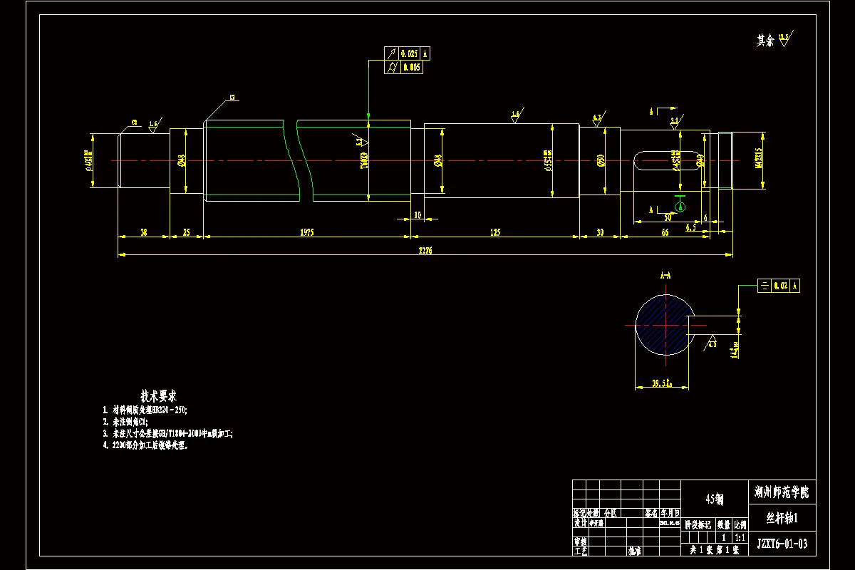
4.1 丝杆轴1的校核 21
4.2 锥齿轮的校核 22
总 结 24
参 考 文 献 25
致 谢 26
温馨提示:
1、题目前面的备注【字母数字编号】为本站整理分类的编号,与课题内容无关,请选题时忽视;
2、若题目上备注三维,则表示文件里包含三维源文件,由于三维组成零件数量较多,为保证预览截图的简洁性,本站将三维文件夹进行了打包。三维及CAD预览截图,均为本站电脑打开软件进行截图的,保证能够打开,下载原件超高清,下载后解压即可;
3、本站所有资源如无特殊说明,都需要本地电脑安装Office2007。图纸软件为AutoCAD,PROE,UG,SolidWorks,CATIA等;
4、本站所有图文资料仅供用户学习参考,不作为任何商用或其他用途;
5、本站不保证下载资源的准确性、安全性和完整性, 不包修改,不支持退换,同时也不承担用户因使用这些下载资源对自己和他人造成任何形式的伤害或损失;
6、 下载文件中如有侵权或不适当内容,请与我们联系,我们立即纠正。