

作品包括:
Word版说明书1份,共38页,约10000字
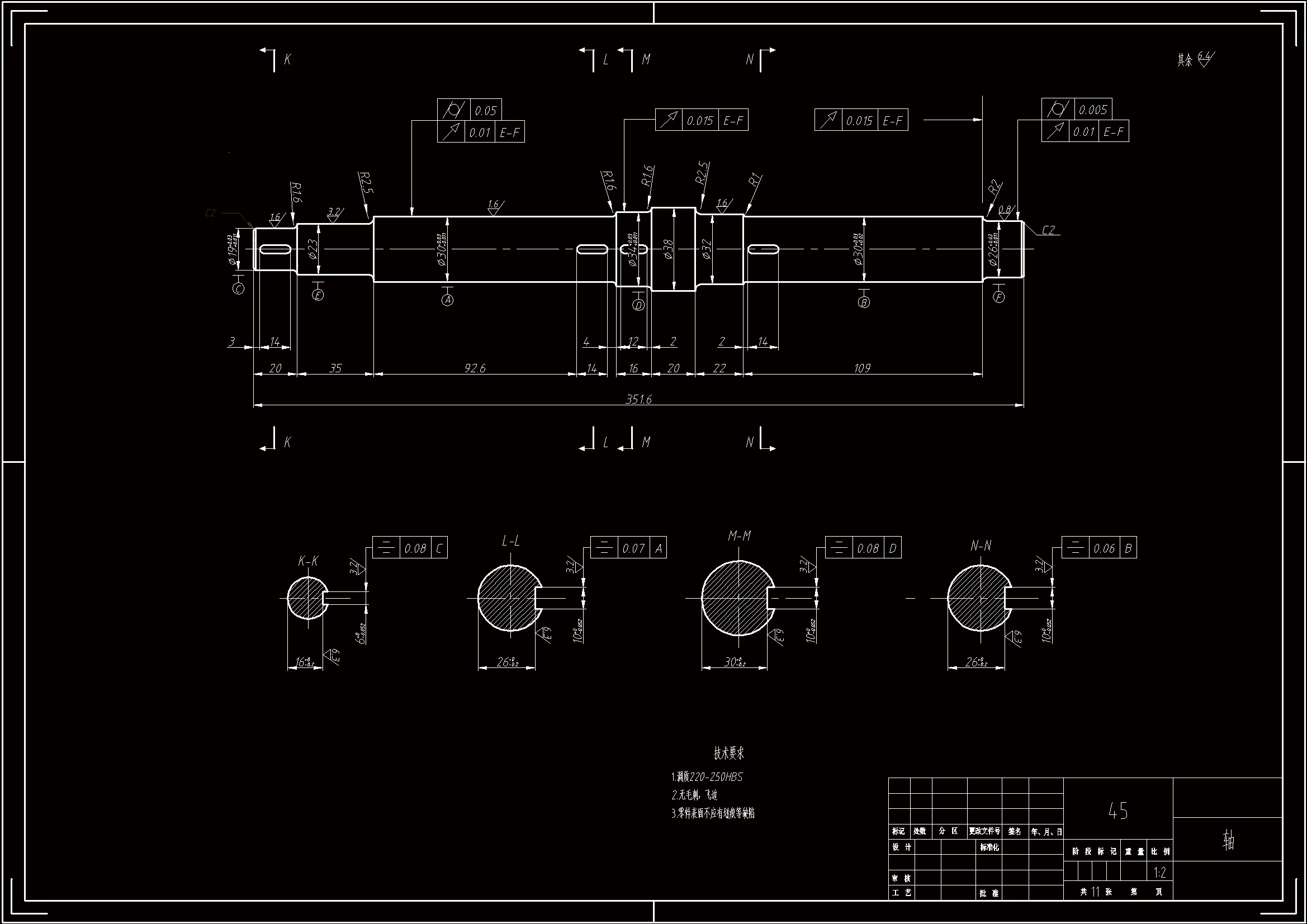
CAD版本图纸,共9张

摘要
本设计设计了一个电动拖地车,适用于商尝机场大厅等公共场所。拖地车首先由动力装置,传动装置,拖地装置组成。动力装置通过带轮传动,使主轴Ⅰ旋转,通过安放在主轴上的锥齿轮改变方向,带动带轮传动,从而让拖地机前面两个拖地圆盘逆时针转动,进行拖地工作。其次,通过装在主轴Ⅰ一端的带轮带动轴Ⅱ旋转,安装在轴Ⅱ上的滚刷机构再次清理前面拖地圆盘工作过的地面,且把垃圾收集到后面的垃圾箱里。至此,完成所要求的功能和任务。
温馨提示:
1、题目前面的备注【字母数字编号】为本站整理分类的编号,与课题内容无关,请选题时忽视;
2、若题目上备注三维,则表示文件里包含三维源文件,由于三维组成零件数量较多,为保证预览截图的简洁性,本站将三维文件夹进行了打包。三维及CAD预览截图,均为本站电脑打开软件进行截图的,保证能够打开,下载原件超高清,下载后解压即可;
3、本站所有资源如无特殊说明,都需要本地电脑安装Office2007。图纸软件为AutoCAD,PROE,UG,SolidWorks,CATIA等;
4、本站所有图文资料仅供用户学习参考,不作为任何商用或其他用途;
5、本站不保证下载资源的准确性、安全性和完整性, 不包修改,不支持退换,同时也不承担用户因使用这些下载资源对自己和他人造成任何形式的伤害或损失;
6、 下载文件中如有侵权或不适当内容,请与我们联系,我们立即纠正。