

作品包括:
Word版说明书1份,共48页,约19000字
任务书一份
开题报告一份
外文翻译一份
CAD版本图纸,共4张
SW三维图一套
仿真动画视频一份
![1716542218682117.webp [2)742ON$S)]N93@3]]2P7L.webp](/static/upload/image/20240524/1716542218682117.webp)
摘要:液压挖掘机是一种多功能机械,目前被广泛应用于水利工程,交通运输,电力工程和矿山采掘等机械施工中,它在减轻繁重的体力劳动,保证工程质量。加快建设速度以及提高劳动生产率方面起着十分重要的作用。由于液压挖掘机具有多品种,多功能,高质量及高效率等特点,因此受到了广大施工作业单位的青睐。液压挖掘机的生产制造业也日益蓬勃发展。
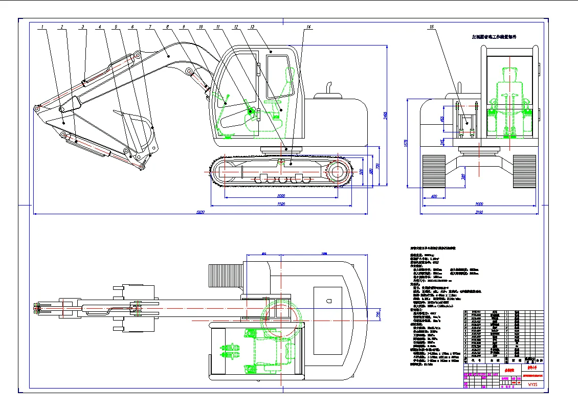
履带式液压单斗挖掘机三维建模与仿真设计的主要任务,是完成液压挖掘机主要参数如斗容量、整机质量、作业性能及尺寸参数等的确定及挖掘机工作装置、行走装置、回转装置、液压系统的选型和驾驶室的设计并在此基础上完成对此机械的基本动作仿真。
本次设计采用Solidworks2012软件建立了液压挖掘机整机的实体模型,并对其运动仿真。利用CAD软件绘出液压挖掘机铲斗挖掘范围包络图,对工作装置各组件进行分析,并以此为根据确定液压油缸的行程及铰点布置。在驾驶室的设计中,利用CATIA人机工程学模块对座椅的结构、操纵杆的布置进行设计。
关键词:挖掘机; 工作装置; 回转装置;仿真
目 录
1 绪论………………………………………………………………………………2
1.1 课题背景及目的……………………………………………………………2
1.2 研究意义 …………………………………………………………………2
1.3 国内部分学者在挖掘机设计方面的工作………………………………3
2 履带式液压单斗挖掘机的基本结构与工作原理 ………………………5
2.1 设计基本组成部分…………………………………………………………5
2.2 液压挖掘机基本工作原理…………………………………………………5
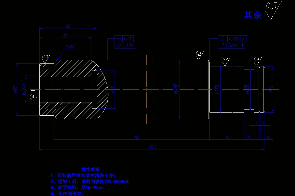
3 液压挖掘机工作装置的设计………………………………………………7
3.1 该设计基本参数………………………………………………………7
3.2 液压挖掘机工作装置的工作原理…………………………………………7
3.3 液压挖掘机工作装置主要参数的确定……………………………………8
3.4 动臂………………………………………………………………………11
3.5 斗杆………………………………………………………………………12
3.6 铲斗………………………………………………………………………12
3.7 动臂液压缸的设计………………………………………………………13
3.8 斗杆液压缸的设计………………………………………………………15
3.9 铲斗液压缸的设计………………………………………………………16
3.10 挖掘范围………………………………………………………………17
3.11 工作装置的仿真工作…………………………………………………18
4 液压挖掘机回转装置的设计 ……………………………………21
4.1 回转支承装置 ………………………………………………………21
4.2 回转传动装置 ………………………………………………………26
4.3 回转运动分析 ………………………………………………………28
5 液压挖掘机行走装置的设计 ……………………………………………30
5.1 行走装置的介绍…………………………………………………………30
5.2 行走装置的设计与仿真…………………………………………………33
6 液压挖掘机驾驶室的设计………………………………………………34
6.1 驾驶室的总体设计要求…………………………………………………34
6.2 驾驶室座椅的设计要求…………………………………………………34
6.3 操作装置的布置要求……………………………………………………34
7 液压挖掘机整机的运动仿真分析…………………………………………36
参考文献 …………………………………………………………………………37
谢辞…………………………………………………………………………………38
谢辞…………………………………………………………………………………39
温馨提示:
1、题目前面的备注【字母数字编号】为本站整理分类的编号,与课题内容无关,请选题时忽视;
2、若题目上备注三维,则表示文件里包含三维源文件,由于三维组成零件数量较多,为保证预览截图的简洁性,本站将三维文件夹进行了打包。三维及CAD预览截图,均为本站电脑打开软件进行截图的,保证能够打开,下载原件超高清,下载后解压即可;
3、本站所有资源如无特殊说明,都需要本地电脑安装Office2007。图纸软件为AutoCAD,PROE,UG,SolidWorks,CATIA等;
4、本站所有图文资料仅供用户学习参考,不作为任何商用或其他用途;
5、本站不保证下载资源的准确性、安全性和完整性, 不包修改,不支持退换,同时也不承担用户因使用这些下载资源对自己和他人造成任何形式的伤害或损失;
6、 下载文件中如有侵权或不适当内容,请与我们联系,我们立即纠正。