

作品包括:
说明书1份,共37页,约13000字左右
CAD版本本图纸,共7张
本文简要介绍了工业机器人的概念,组成和分类以及自由度和坐标形式,并阐述了液压技术的特点以及其在国内外发展的特点和PLC控制。
本文通过对锻压机取件机械手进行总体设计,确定了机械手的坐标形式和自由度,确定了机械手的技术参数。同时,对机械手的夹持式手部、手腕结构进行了结构设计,计算出了使它们动作需要的扭矩,同时设计了机械手的液压系统,机械手工作图液压系统原理图,液压系统的工作原理图的参数化绘制进行了研究,并对液压机械手所使用的轴承,传动轴等进行了计算,选择标准件。大大提高了绘图效率和图纸质量,这些早期的工作为后续的液压机械手的设计做足了充分的准备。
本文所设计的液压机械手在很大方面提高了生产效率,节约了生产成本,对后续的机械手的研究和发展也有着重要的意义。
关键词 工业机器人;锻压机上下料机械手;PLC
目 录
1绪论.....................................................................................................................1
1.1机械手概述...................................................................................................1
1.2机械手的组成和分类...................................................................................2
1.2.1机械手的组成.........................................................................................3
1.2.2机械手的分类…………………………………………….....................4
1.3国内外发展状况.. .....................................................................................................7
1.4课题的提出及主要任务……………………………………………….......8
2 机械手的设计方案……………………………………………........................9
2.1机械手的座标型式与自由度………………………………………..........10
2.2机械手的手部结构方案设计………………………………………..........11
2.3机械手的手腕结构方案设计………………………………………..........13
2.4机械手的手臂结构方案设计………………………………………..........14
2.5机械手的主要参数…………………………………………………..........18
2.6机械手的技术参数列表……………………………………………..........19
3 手部结构设计……………………………………………...............................20
3.1夹持式手部结构……………………………………………………..........21
3.1.1手指的形状和分类…………………………………………................22
3.1.2设计时考虑的几个问题……………………………………................22
3.1.3手部夹紧油缸的设计………………………………………................22
4 手腕结构设计………………………………………………….......................22
4.1手腕的自由度………………………………………………………..........22
4.2手腕的驱动力矩的计算……………………………………………..........23
4.2.1手腕转动时所需的驱动力矩…………………………………............23
4.2.2回转油缸的驱动力矩计算……………………………………............23
4.2.3回转油缸的驱动力矩计算校核………………………........................23
5 手臂伸缩,升降,回转油缸的设计与校核………………………...............23
5.1手臂伸缩部分尺寸设计与校核……………………………………..........24
5.1.1尺寸设计……………………………………………............................25
5.1.2尺寸校核…………………………………………….........................25
5.1.3导向装置…………………………………………….........................26
5.1.4平衡装置…………………………………………….........................27
5.2手臂升降部分尺寸设计与校核……………………………….................27
5.2.1尺寸设计…………………………………………….........................27
5.2.2尺寸校核…………………………………………….........................27
5.3手臂回转部分尺寸设计与校核…………………………………….........28
5.3.1尺寸设计…………………………………………….........................29
5.3.2尺寸校核…………………………………………….........................30
6 液压系统设计……………………………………………................................31
6.1液压缸的选型计算………………………………………….....................32
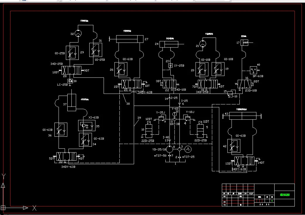
6.2液压系统原理图的确定………………………….....................................33
7 机械手的PLC控制设计……………………………………………................34
7.1可编程序控制器的选择及工作过程……………………………….........35
7.1.1可编程序控制器的选择……………………………………….........36
7.1.2可编程序控制器的工作过程…………………………………..........37
7.2机械手可编程序控制器控制方案…………………………………..........39
结论………………………………………………………………….....................40
致谢…………………………………………………………………………….....41
参考文献………………………………………………………………………….42
温馨提示:
1、题目前面的备注【字母数字编号】为本站整理分类的编号,与课题内容无关,请选题时忽视;
2、若题目上备注三维,则表示文件里包含三维源文件,由于三维组成零件数量较多,为保证预览截图的简洁性,本站将三维文件夹进行了打包。三维及CAD预览截图,均为本站电脑打开软件进行截图的,保证能够打开,下载原件超高清,下载后解压即可;
3、本站所有资源如无特殊说明,都需要本地电脑安装Office2007。图纸软件为AutoCAD,PROE,UG,SolidWorks,CATIA等;
4、本站所有图文资料仅供用户学习参考,不作为任何商用或其他用途;
5、本站不保证下载资源的准确性、安全性和完整性, 不包修改,不支持退换,同时也不承担用户因使用这些下载资源对自己和他人造成任何形式的伤害或损失;
6、 下载文件中如有侵权或不适当内容,请与我们联系,我们立即纠正。