

作品包括:
Word版设计说明书1份
任务书一份
开题报告一份
外文翻译一份
CAD版本图纸,共3张
摘要
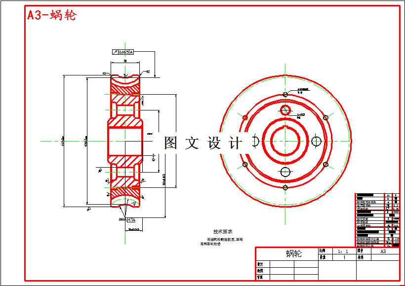
本设计利用曲柄滑块设计冲击部分来实现破煤过程,在冲头冲击的同时要有高度的变化,在设计中利用螺旋伸降机构来实现冲头高度的变化,螺旋伸降机构用伺服电机通过涡轮蜗杆其旋转,箱体整个跟着做伸降运动,冲击头利用一级减速器来减速实现所需要的速度,螺旋伸降杆和箱体利用螺栓和螺母的形式来使箱体上下移动,曲柄滑块机构机构利用导轨和滚轮以及箱体来实现其定位,在轨道上做往复运动。箱体的固定支撑利用三角形稳定原理来实现,箱体尾部利用燕尾槽来实现其上下移动的定位,螺旋伸降杆作为上下移动的动力来源。
温馨提示:
1、题目前面的备注【字母数字编号】为本站整理分类的编号,与课题内容无关,请选题时忽视;
2、若题目上备注三维,则表示文件里包含三维源文件,由于三维组成零件数量较多,为保证预览截图的简洁性,本站将三维文件夹进行了打包。三维及CAD预览截图,均为本站电脑打开软件进行截图的,保证能够打开,下载原件超高清,下载后解压即可;
3、本站所有资源如无特殊说明,都需要本地电脑安装Office2007。图纸软件为AutoCAD,PROE,UG,SolidWorks,CATIA等;
4、本站所有图文资料仅供用户学习参考,不作为任何商用或其他用途;
5、本站不保证下载资源的准确性、安全性和完整性, 不包修改,不支持退换,同时也不承担用户因使用这些下载资源对自己和他人造成任何形式的伤害或损失;
6、 下载文件中如有侵权或不适当内容,请与我们联系,我们立即纠正。