

作品包括:
Word版设计说明书1份
任务书一份
开题报告一份
外文翻译一份
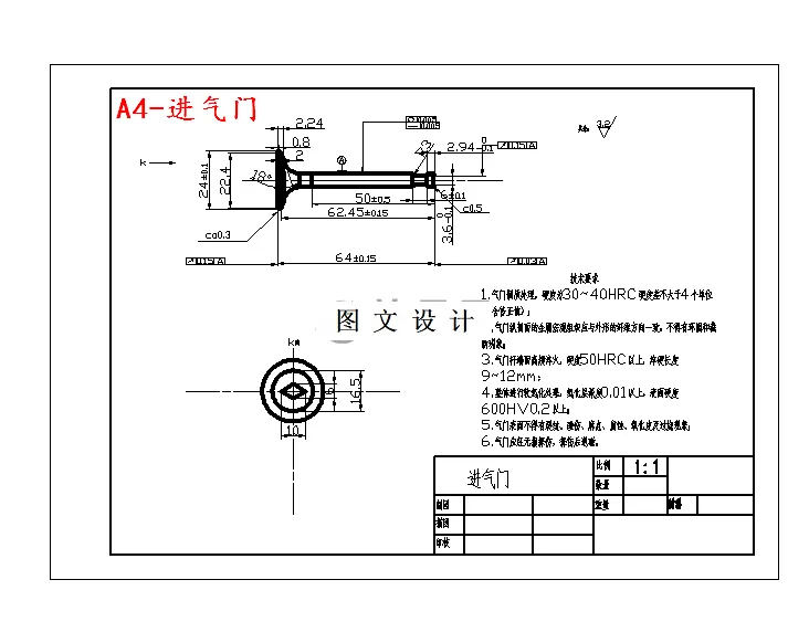
CAD版本图纸,共10张
摘要
配气机构作为内燃机里非常重要的机构之一,它的设计的合理性决定着内燃机的动力性、经济性等方面的性能,它的功能主要就是根据内燃机工况的不断变化及时的关闭和开启气门,使充气系数足够高,保证换气状况良好。一台内燃机能否稳定可靠的工作,噪声与振动是否控制在较低的水平,都与其配气机构的设计是否合理有着密切的联系。本设计对同类型的内燃机的配气机构研究,通过对配气机构设计的基本概念的分析,设计出了一款163ml汽油机的配气机构。结合内燃机的工作环境需求,以及顶置式配气机构的配气相位具有准确以及结构简单的优点,本次设计采用了顶置式的配气机构。凸轮采用了等速等加速的缓冲段以及圆弧凸轮的工作段型线。
温馨提示:
1、题目前面的备注【字母数字编号】为本站整理分类的编号,与课题内容无关,请选题时忽视;
2、若题目上备注三维,则表示文件里包含三维源文件,由于三维组成零件数量较多,为保证预览截图的简洁性,本站将三维文件夹进行了打包。三维及CAD预览截图,均为本站电脑打开软件进行截图的,保证能够打开,下载原件超高清,下载后解压即可;
3、本站所有资源如无特殊说明,都需要本地电脑安装Office2007。图纸软件为AutoCAD,PROE,UG,SolidWorks,CATIA等;
4、本站所有图文资料仅供用户学习参考,不作为任何商用或其他用途;
5、本站不保证下载资源的准确性、安全性和完整性, 不包修改,不支持退换,同时也不承担用户因使用这些下载资源对自己和他人造成任何形式的伤害或损失;
6、 下载文件中如有侵权或不适当内容,请与我们联系,我们立即纠正。