

作品包括:
Word版设计说明书1份
任务书一份
开题报告一份
外文翻译一份
CAD版本图纸,共10张
摘要
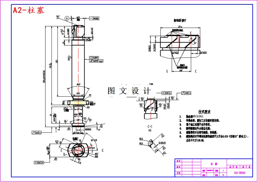
喷油泵是柴油机喷油系统中的核心部件,它有着非常重要的作用。在柴油机工作过程中,喷油泵是为了保证燃油按照一定的时间,根据传感器反馈给控制器的信号供应给柴油机,满足发动机的正常运行状况,本次就是设计了一种柱塞式高压喷油泵。本设计根据某一柴油机的性能参数对其喷油泵的结构等进行设计。根据任务书所给参数,通过计算求得其柱塞直径及行程;根据泵总成图确定柱塞弹簧的中径,进而求得柱塞弹簧的其他参数;结合资料,选择合适的出油阀,计算出油阀弹簧;再对弹簧等进行校核验算,并对设计方案进行论证、工艺性进行详细分析,对各零件的配合、公差以及安装间隙进行考虑。最后通过计算机绘图将其结构以图纸的形式更直观明了的呈现出来。
温馨提示:
1、题目前面的备注【字母数字编号】为本站整理分类的编号,与课题内容无关,请选题时忽视;
2、若题目上备注三维,则表示文件里包含三维源文件,由于三维组成零件数量较多,为保证预览截图的简洁性,本站将三维文件夹进行了打包。三维及CAD预览截图,均为本站电脑打开软件进行截图的,保证能够打开,下载原件超高清,下载后解压即可;
3、本站所有资源如无特殊说明,都需要本地电脑安装Office2007。图纸软件为AutoCAD,PROE,UG,SolidWorks,CATIA等;
4、本站所有图文资料仅供用户学习参考,不作为任何商用或其他用途;
5、本站不保证下载资源的准确性、安全性和完整性, 不包修改,不支持退换,同时也不承担用户因使用这些下载资源对自己和他人造成任何形式的伤害或损失;
6、 下载文件中如有侵权或不适当内容,请与我们联系,我们立即纠正。