

作品包括:
Word版设计说明书1份
CAD版本图纸,共8张
摘要
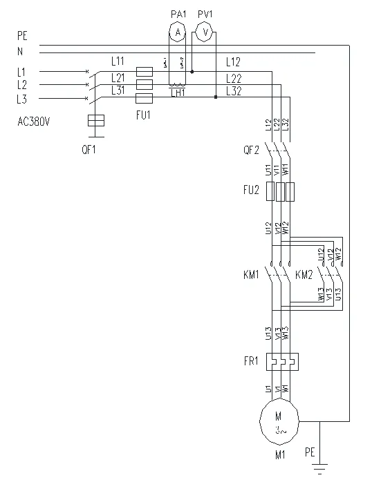
金相试样切割机主要特点:本切割机的切割砂轮直接固定在与电动机的轴同轴线相连接的轴上,利用导轨的横向和纵向的移动来切割固定在钳口中的试样 电动机固定在底座上,轴套套在电动机的轴上,砂轮片由螺母和轴肩加以固定。加紧装置固定在导轨上滑板,可沿纵向移动的,由手柄的转动来移动钳口把试样夹紧在钳座中,当转动手柄时,就可以进行试样切割了。机器工作时,由罩壳将砂轮片等档住,以防冷却液飞溅和砂轮片碎裂时飞出伤人。
温馨提示:
1、题目前面的备注【字母数字编号】为本站整理分类的编号,与课题内容无关,请选题时忽视;
2、若题目上备注三维,则表示文件里包含三维源文件,由于三维组成零件数量较多,为保证预览截图的简洁性,本站将三维文件夹进行了打包。三维及CAD预览截图,均为本站电脑打开软件进行截图的,保证能够打开,下载原件超高清,下载后解压即可;
3、本站所有资源如无特殊说明,都需要本地电脑安装Office2007。图纸软件为AutoCAD,PROE,UG,SolidWorks,CATIA等;
4、本站所有图文资料仅供用户学习参考,不作为任何商用或其他用途;
5、本站不保证下载资源的准确性、安全性和完整性, 不包修改,不支持退换,同时也不承担用户因使用这些下载资源对自己和他人造成任何形式的伤害或损失;
6、 下载文件中如有侵权或不适当内容,请与我们联系,我们立即纠正。