

作品包括:
Word版说明书1份,共39页,约18000字
任务书一份
开题报告一份
外文翻译一份
CAD版本图纸,共9张

摘要
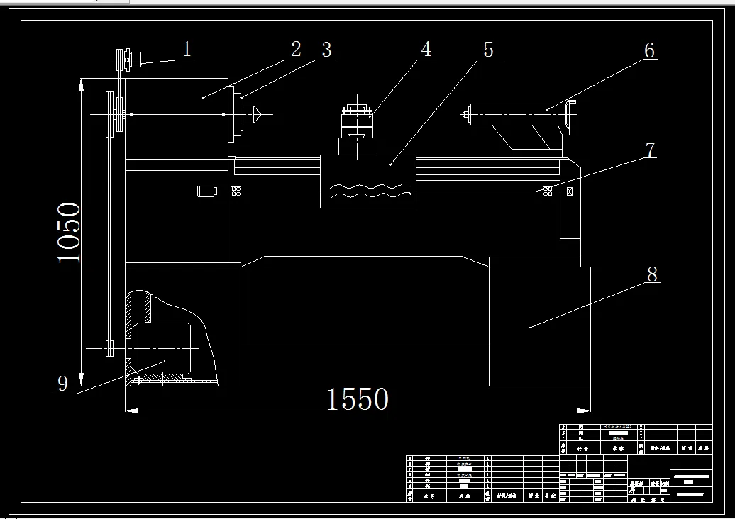
Ø400法兰盘专用数控车床的设计主要是由传动系统、进给系统和控制系统三部分组成。本次设计不仅对各个部分进行了详细的分析,还对其机构进行了设计。从最初的几个方案选出一个合理的方案。根据给定的参数来进行设计计算,计算出其传动系统参数。控制系统是数控车床的一个重要组成部分。控制系统是由键盘、显示、脉冲发生器和电机驱动部分组成。由它来实现步进电机的驱动从而带动滚珠丝杠正常运动,它也控制脉冲发生器来计算主轴的转速。此数控车床的最大转速3000RPM,主电机功率4kW。由于只用于精加工的半精加工,故所用电机功率不是很大。主轴箱的设计,主要包括三方面的设计,即:根据设计题目所给定的机床用途、规格、主轴极限转速,确定其他有关运动参数,通过分析比较,选择传动方案,确定带轮直径。其次,根据机床类型和电动机功率,确定主轴及各传动件的计算转速,初定传动轴直径,确定传动带型号及根数;装配草图完成后要验算传动件(传动轴、主轴、齿轮、滚动轴承)的刚度、强度或寿命。最后,完成运动设计和动力设计后,要将主传动方案“结构化”,设计主轴箱装配图及零件图,侧重进行传动轴组件、主轴组件、箱体、润滑与密封、传动轴零件的设计。
【关键词】数控车床;主轴箱;传动系统;主轴组件
目录
目录 I
摘 要 III
Abstract IV
1 绪 论 1
1.1 数控机床的发展趋势 1
1.2 课题的意义和目的 1
1.2.1 理论意义 2
1.2.2 现实意义 2
1.3 论文综述 2
1.3.1 国内有关研究的综述 2
1.3.2 国外有关研究的综述 4
1.3.3 本人对以上综述的评价 5
2 总体方案设计 6
2.1 设计参数 6
2.2 主传动的组成部分 7
2.3 机床主要部件及其运动方式的选定 8
2.4 机床的主要技术参数 8
2.5 各组成部件的特性与所应达到的要求 9
3 数控车床主传动方案设计 11
4 数控车床主轴箱设计 13
4.1 电动机的选择 13
4.1.1 电动机的功率计算 13
4.1.2 电动机参数的选择 13
4.2 带轮设计 14
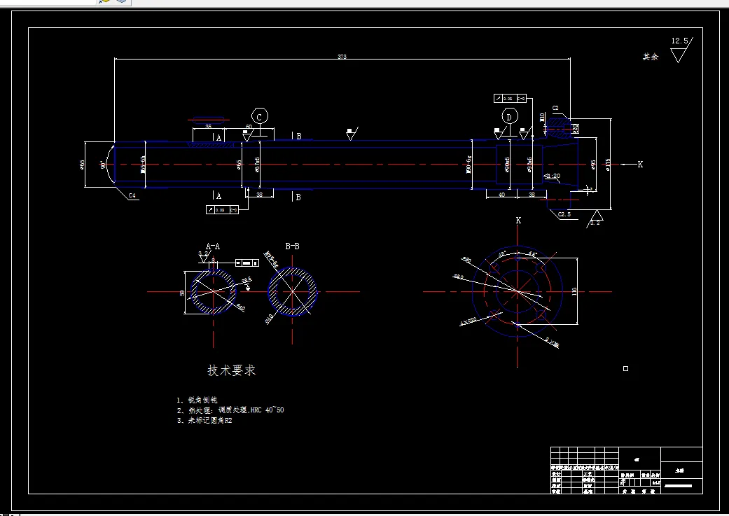
4.3 主轴各部分尺寸的选择 17
由于是车床用主轴端部,毫无疑问使用a这种形式。 18
4.3.1 主轴的技术要求 18
4.3.2 主轴组件结构参数的确定 19
4.3.3 主轴材料和热处理 26
4.3.4 主轴轴承 26
4.3.5 润滑与密封 28
4.3.6 其他问题 28
4.4 键的校核 29
5 进给系统设计 30
5.1 纵向进给丝杠设计 30
5.2 横向进给丝杠设计 32
5.3 步进电机选择 32
5.4 回转刀架选择 32
总结与体会 33
参考文献: 34
致谢 35
温馨提示:
1、题目前面的备注【字母数字编号】为本站整理分类的编号,与课题内容无关,请选题时忽视;
2、若题目上备注三维,则表示文件里包含三维源文件,由于三维组成零件数量较多,为保证预览截图的简洁性,本站将三维文件夹进行了打包。三维及CAD预览截图,均为本站电脑打开软件进行截图的,保证能够打开,下载原件超高清,下载后解压即可;
3、本站所有资源如无特殊说明,都需要本地电脑安装Office2007。图纸软件为AutoCAD,PROE,UG,SolidWorks,CATIA等;
4、本站所有图文资料仅供用户学习参考,不作为任何商用或其他用途;
5、本站不保证下载资源的准确性、安全性和完整性, 不包修改,不支持退换,同时也不承担用户因使用这些下载资源对自己和他人造成任何形式的伤害或损失;
6、 下载文件中如有侵权或不适当内容,请与我们联系,我们立即纠正。