

作品包括:
Word版设计说明书1份,共52页,约26000字
任务书一份
开题报告一份
外文翻译一份
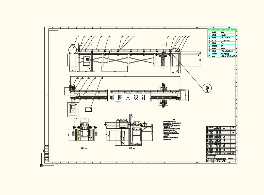
CAD版本图纸,共14张

摘要
电动助力转向系统是典型的机电一体化系统,涉及的学科非常广泛。包括机械设计、汽车理论、电力电子、计算机技术、控制技术、传感器技术和电机技术等多个领域,因具有节约燃料、减轻自重、提高主动安全性、有利于环保等一系列优点,已成为世界汽车转向技术发展的研究趋势。 减速机构作为电动助力转向系统的关键部件之一,因体积的大小直接影响安装空间和汽车的布局,在设计的过程中不仅要满足自身的强度要求还应使其体积尽可能的小,结构更紧凑。因此,有必要对所设计的减速机构进行结构上的优化,达到整体设计要求。 在优化设计过程中,以减速机构中蜗杆传动中心距最小、蜗轮齿冠体积最小以及总体积最小为目标。用Pro/E软件建立汽车EPS减速机构三维模型。应用ANSYS软件对汽车EPS结构中涡轮及蜗杆组件进行强度校核。对汽车EPS中动力学模型、助力电动机模型、进行数学建模,选择EPS助力特性曲线的相关参数,设计EPS的助力特性曲线。 在对电动助力转向器减速机构优化设计后,达到蜗杆传动中心距最小、蜗轮齿冠体积最小以及总体积最小为目标,同时使转向更灵活,安装空间更小。
温馨提示:
1、题目前面的备注【字母数字编号】为本站整理分类的编号,与课题内容无关,请选题时忽视;
2、若题目上备注三维,则表示文件里包含三维源文件,由于三维组成零件数量较多,为保证预览截图的简洁性,本站将三维文件夹进行了打包。三维及CAD预览截图,均为本站电脑打开软件进行截图的,保证能够打开,下载原件超高清,下载后解压即可;
3、本站所有资源如无特殊说明,都需要本地电脑安装Office2007。图纸软件为AutoCAD,PROE,UG,SolidWorks,CATIA等;
4、本站所有图文资料仅供用户学习参考,不作为任何商用或其他用途;
5、本站不保证下载资源的准确性、安全性和完整性, 不包修改,不支持退换,同时也不承担用户因使用这些下载资源对自己和他人造成任何形式的伤害或损失;
6、 下载文件中如有侵权或不适当内容,请与我们联系,我们立即纠正。