

作品包括:
Word版设计说明书1份
CAD版本图纸,共6张
SW三维图一套
摘要
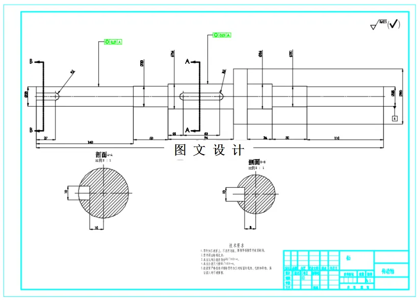
针对纽扣电池的自动组立生产线传动问题,设计一套电极自动组立机的传动部分。经过分析,其原理为电动机提供动力,经由凸轮分割器明确传动链的运动与制动时间。主要应该选取合适的电动机并合理设计凸轮分割器结构,实现传送电极至各工位的功能,满足电极自动组立生产线的流水操作要求,设计一种针对纽扣电池的自动组立生产线主要结构如下:电机、小带轮、传动带、大带轮、蜗杆、蜗轮、凸轮分度器、主动齿轮、从动齿轮、传动轴 、链轮、链、阻力定位块、轴承座 和生产线2。 计算了各个部分的主要部件所需参数并进行了校核,使用solid works三维软件完成了全自动组立生产线设计的装备图及各主要零件的三维建模,并用autoCAD绘制了全自动组立生产线设计的装配图及部分关键零件图。
温馨提示:
1、题目前面的备注【字母数字编号】为本站整理分类的编号,与课题内容无关,请选题时忽视;
2、若题目上备注三维,则表示文件里包含三维源文件,由于三维组成零件数量较多,为保证预览截图的简洁性,本站将三维文件夹进行了打包。三维及CAD预览截图,均为本站电脑打开软件进行截图的,保证能够打开,下载原件超高清,下载后解压即可;
3、本站所有资源如无特殊说明,都需要本地电脑安装Office2007。图纸软件为AutoCAD,PROE,UG,SolidWorks,CATIA等;
4、本站所有图文资料仅供用户学习参考,不作为任何商用或其他用途;
5、本站不保证下载资源的准确性、安全性和完整性, 不包修改,不支持退换,同时也不承担用户因使用这些下载资源对自己和他人造成任何形式的伤害或损失;
6、 下载文件中如有侵权或不适当内容,请与我们联系,我们立即纠正。