

作品包括:
Word版设计说明书1份
任务书一份
CAD版本图纸,共8张
SW三维图一套
摘要
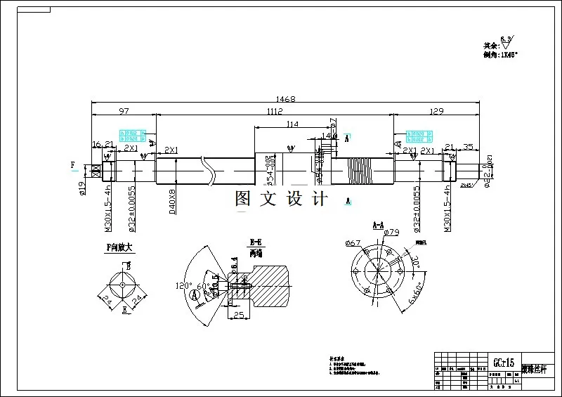
本文完成了五轴激光数控切割机床伺服进给系统的设计。第一方法通过总体设计方案的定义和在X,Y和Z三个方位上的运动参数。第二方法根据运动参数确定数控机床的传动方案。 X,Y和Z三轴的滚珠丝杠由引导线,动载荷等效和底部最小螺纹直径决定,伺服电机在X,Y和Z三方由最大加工负载转矩和负载惯量决定。第三部分,验证了X,Y和Z三轴进给的伺服系统。
温馨提示:
1、题目前面的备注【字母数字编号】为本站整理分类的编号,与课题内容无关,请选题时忽视;
2、若题目上备注三维,则表示文件里包含三维源文件,由于三维组成零件数量较多,为保证预览截图的简洁性,本站将三维文件夹进行了打包。三维及CAD预览截图,均为本站电脑打开软件进行截图的,保证能够打开,下载原件超高清,下载后解压即可;
3、本站所有资源如无特殊说明,都需要本地电脑安装Office2007。图纸软件为AutoCAD,PROE,UG,SolidWorks,CATIA等;
4、本站所有图文资料仅供用户学习参考,不作为任何商用或其他用途;
5、本站不保证下载资源的准确性、安全性和完整性, 不包修改,不支持退换,同时也不承担用户因使用这些下载资源对自己和他人造成任何形式的伤害或损失;
6、 下载文件中如有侵权或不适当内容,请与我们联系,我们立即纠正。