

作品包括:
Word版设计说明书1份
CAD版本图纸,共5张
摘要
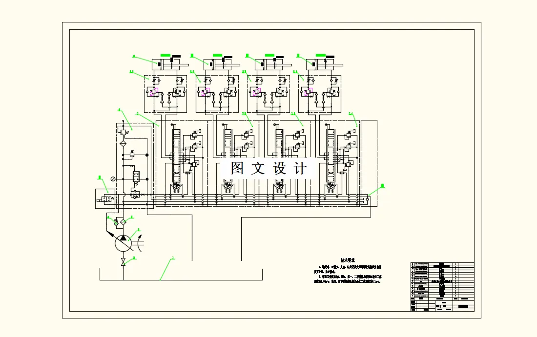
在社会快速发展的今天,也是在大规模基础建设的背景之下,液压机械臂等相关的设备被广泛应用在基础建设和工业生产之中,也是在这样的环境之下液压系统等相关产业得到了前所未有的大发展。随着国内经济飞速的发展,相关液压机械设备在国内庞大市场的催动下,相关研究设计也有了很大的潜力。 本文所设计的四节液压机械臂泵送系统,针对该泵送机构的液压系统设计、液压缸的设计和计算、液压系统性能验算、液压元件的选择等相关计算,确定了相关结构参数并计算校核,最后通过绘图软件将相关的设计图纸,其中包括液压原理图、液压马达图、齿轮轴图、多路阀装配图以及柱塞式液压缸图。 本文还就四节液压机械臂泵送系统的相关的功能特性,分析液压缸承载力、总承载力、各臂架液压缸参数、液压系统压力等具体的参数数据进行计算说明,最后就液压元件所涉及的液压阀的选择作相关的阐述说明。
温馨提示:
1、题目前面的备注【字母数字编号】为本站整理分类的编号,与课题内容无关,请选题时忽视;
2、若题目上备注三维,则表示文件里包含三维源文件,由于三维组成零件数量较多,为保证预览截图的简洁性,本站将三维文件夹进行了打包。三维及CAD预览截图,均为本站电脑打开软件进行截图的,保证能够打开,下载原件超高清,下载后解压即可;
3、本站所有资源如无特殊说明,都需要本地电脑安装Office2007。图纸软件为AutoCAD,PROE,UG,SolidWorks,CATIA等;
4、本站所有图文资料仅供用户学习参考,不作为任何商用或其他用途;
5、本站不保证下载资源的准确性、安全性和完整性, 不包修改,不支持退换,同时也不承担用户因使用这些下载资源对自己和他人造成任何形式的伤害或损失;
6、 下载文件中如有侵权或不适当内容,请与我们联系,我们立即纠正。