

作品包括:
Word版设计说明书1份
CAD版本图纸,共11张
摘要
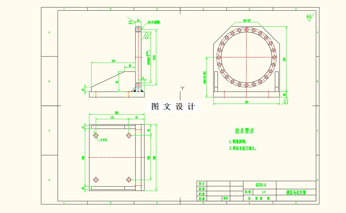
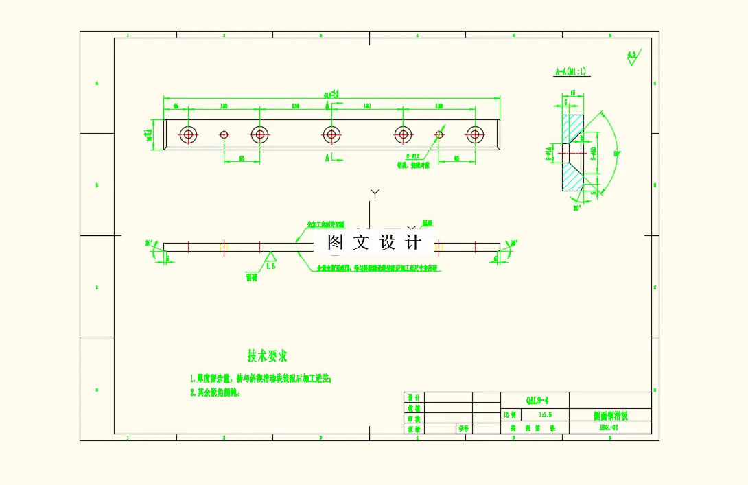
镁及镁合金具有重量轻、其加工材尺寸稳定性好等显著优点。但因熔铸过程中易燃烧爆炸而安全防护措施繁复、生产加工工艺落后而几何废品率高等因素影响,致使生产成本居高难下。产品售价高、生产效率低严重制约其应用领域的拓展。镁及镁合金板带材“带”式生产工艺的关键装备—镁及镁合金板带材温轧机组的研发仍停留在初始阶段,无突破性进展。因此,我们设计小组选择设计四辊可逆高精度镁带温轧机组。 四辊镁合金温轧机组正常生产时,辊身表面擦伤、磨损、粘辊是常事,解决的唯一办法是重磨。每次轧辊重磨再装配之后,若不重新调整安装初始位置,工作辊辊缝一定低于轧制线。为调整辊缝回归原始安装位置的装置称作轧制线调整装置。 本人负责轧制线调整装置的设计。主要包括:轧制线调整装置要求高度无级连续可调;设计轧制线高度具有记忆功能。输入轧辊磨后直径,轧制线调整装置可自动调整轧制线高度;设计计算传动系统的机械效率和速比,液压马达、丝杠螺母传动副、斜楔滑块副;协调关联尺寸;绘制轧制线调整装置的总装配图和零件图。
温馨提示:
1、题目前面的备注【字母数字编号】为本站整理分类的编号,与课题内容无关,请选题时忽视;
2、若题目上备注三维,则表示文件里包含三维源文件,由于三维组成零件数量较多,为保证预览截图的简洁性,本站将三维文件夹进行了打包。三维及CAD预览截图,均为本站电脑打开软件进行截图的,保证能够打开,下载原件超高清,下载后解压即可;
3、本站所有资源如无特殊说明,都需要本地电脑安装Office2007。图纸软件为AutoCAD,PROE,UG,SolidWorks,CATIA等;
4、本站所有图文资料仅供用户学习参考,不作为任何商用或其他用途;
5、本站不保证下载资源的准确性、安全性和完整性, 不包修改,不支持退换,同时也不承担用户因使用这些下载资源对自己和他人造成任何形式的伤害或损失;
6、 下载文件中如有侵权或不适当内容,请与我们联系,我们立即纠正。