

作品包括:
Word版设计说明书1份
开题报告一份
CAD版本图纸,共6张
摘要
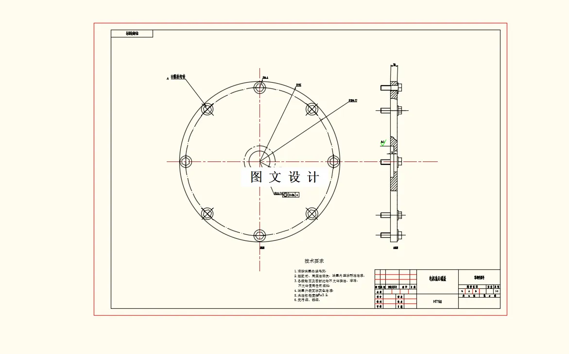
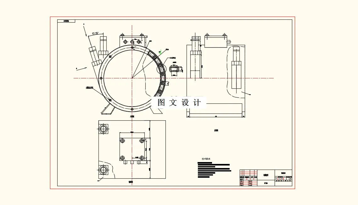
轮毂电机是纯电动汽车动力系统的关键部件,电机的温升会对轮毂电机乃至车辆的性能产生重大影响。因此在设计电机时须严格控制温升,合理设计电机本体及其冷却结构,使电机可靠运行。 本文结合山猫6×6全地形非防护运输车用永磁同步电机项目,研究控制电机温升的方法及规律。首先根据车辆动力参数确定电机基本性能参数,合理地进行电机本体结构的设计;利用Motor CAD对设计的电机进行建模计算,校验电机的各种基础性能参数要求,确定电机本体结构的合理性。 其次,结合电动汽车几种典型工况,对该永磁同步电机进行性能参数分析,计算了电机不同工况的电机损耗,且运用软件仿真电机温度场分布状态;分析各工况的电机温升分布规律,作为冷却系统优化设计的依据。 为控制电机过载工况的温升,对电机冷却系统的结构与性能进行了研究,探寻提升冷却性能的方法;主要分析了不同水道结构、不同冷却介质状态、不同水道尺寸参数对电机温升的影响,并且通过对水道结构尺寸进行优化,电机的散热性能得到提升。 最后,对优化冷却系统后的电机进行多种典型工况的温升仿真,仿真结果验证了电机温升控制在合理范围内;此设计在满足各项技术要求的情况下,降低了电机的温升,提高了电机的可靠性,确定了整个设计过程的合理性。
温馨提示:
1、题目前面的备注【字母数字编号】为本站整理分类的编号,与课题内容无关,请选题时忽视;
2、若题目上备注三维,则表示文件里包含三维源文件,由于三维组成零件数量较多,为保证预览截图的简洁性,本站将三维文件夹进行了打包。三维及CAD预览截图,均为本站电脑打开软件进行截图的,保证能够打开,下载原件超高清,下载后解压即可;
3、本站所有资源如无特殊说明,都需要本地电脑安装Office2007。图纸软件为AutoCAD,PROE,UG,SolidWorks,CATIA等;
4、本站所有图文资料仅供用户学习参考,不作为任何商用或其他用途;
5、本站不保证下载资源的准确性、安全性和完整性, 不包修改,不支持退换,同时也不承担用户因使用这些下载资源对自己和他人造成任何形式的伤害或损失;
6、 下载文件中如有侵权或不适当内容,请与我们联系,我们立即纠正。