

作品包括:
Word版设计说明书1份
CAD版本图纸,共2张
摘要
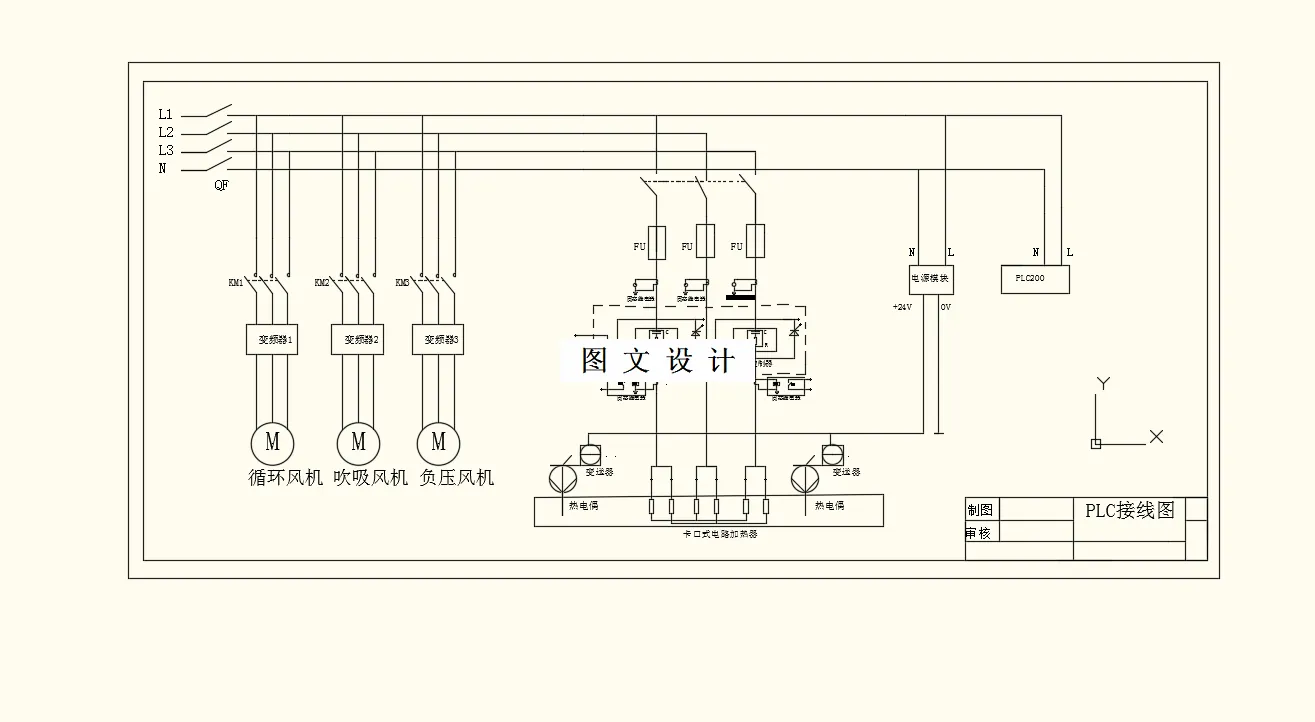
本次设计采用的是基于铝箔退火炉的控制系统PLC自动温度控制,在本文设计会用西门子S7-200PLC作为系统的主控,炉内温度检测会在炉内安装温度传感器进行感应检测,设计中选用的温度传感器为热敏电阻,当温度传感器检测出反应炉内的温度过高,则会通过PLC的输入接线端子送出一个信号送入PLC中,PLC通过执行PID算法,从而准确控制炉内温度。同样的,当炉内温度低于下限值时,PLC也会收到一个信号从而执行PID算法,启动加热装置进行炉内温度提升,在本文中根据设计要求,给出了系统流程图、接线图及PLC程序图,并给出了PLC的执行过程介绍,从而达到了设计目标。 本设计通过结合PID算法,运用S7—200软件以及以前所学的知识,经过对任务的分析,设计,编程,调试来完成。
温馨提示:
1、题目前面的备注【字母数字编号】为本站整理分类的编号,与课题内容无关,请选题时忽视;
2、若题目上备注三维,则表示文件里包含三维源文件,由于三维组成零件数量较多,为保证预览截图的简洁性,本站将三维文件夹进行了打包。三维及CAD预览截图,均为本站电脑打开软件进行截图的,保证能够打开,下载原件超高清,下载后解压即可;
3、本站所有资源如无特殊说明,都需要本地电脑安装Office2007。图纸软件为AutoCAD,PROE,UG,SolidWorks,CATIA等;
4、本站所有图文资料仅供用户学习参考,不作为任何商用或其他用途;
5、本站不保证下载资源的准确性、安全性和完整性, 不包修改,不支持退换,同时也不承担用户因使用这些下载资源对自己和他人造成任何形式的伤害或损失;
6、 下载文件中如有侵权或不适当内容,请与我们联系,我们立即纠正。