

作品包括:
Word版设计说明书1份
CAD版本图纸,共6张
摘要
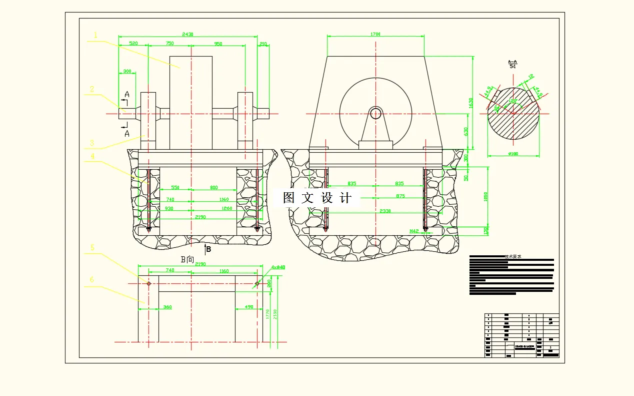
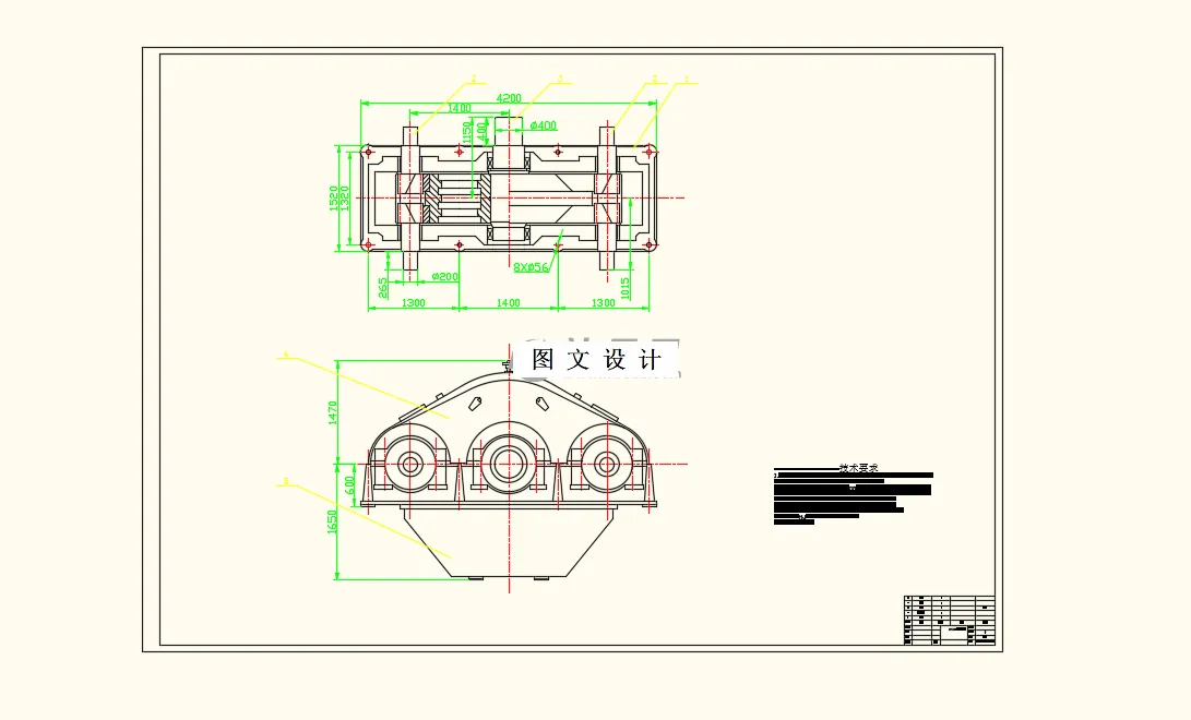
对于煤矿、金属矿和煤炭的立井或斜井,大多使用矿井提升机,也可以作其他牵引运输用,提升机的主要组成部分为:摩擦轮主轴装置、减速器、制动系统、液压气压系统、指示深度器、低速度联轴器、高速度联轴器、电机、操上作台、电控柜等部件组成。当启动电机时,电机转子带动高速联轴器转动,同时减速器会对电机产生的速度进行削弱,当动力到达低速联轴器时,速度已经减少,因为低速联轴器与摩擦轮主轴装置相连,所以摩擦轮就会获得动力。通过控制,我们可以改变电动机的转向,实现提升容器的上升或下降。 随着现代机械科技的大幅度发展,矿井提升机满足越来越多的矿井,不同的矿井需要不同的提升设备。对于小型矿井,大多使用的缠绕式提升机(单绳式和多绳式);而对于大型矿井,大多使用摩擦式提升机(单绳式和多绳式),选择合理的提升设备可以提高生产率,节省资源,促进经济健康的发展。 不同的矿井有着不同的地质和煤层,设计提升机时,可以灵活变通的选择适合该矿井的提升设备,这点非常重要。本设计系统全面的介绍了提升机的设计原则和选取原则,并对其动力学和运动学进行了分析。
温馨提示:
1、题目前面的备注【字母数字编号】为本站整理分类的编号,与课题内容无关,请选题时忽视;
2、若题目上备注三维,则表示文件里包含三维源文件,由于三维组成零件数量较多,为保证预览截图的简洁性,本站将三维文件夹进行了打包。三维及CAD预览截图,均为本站电脑打开软件进行截图的,保证能够打开,下载原件超高清,下载后解压即可;
3、本站所有资源如无特殊说明,都需要本地电脑安装Office2007。图纸软件为AutoCAD,PROE,UG,SolidWorks,CATIA等;
4、本站所有图文资料仅供用户学习参考,不作为任何商用或其他用途;
5、本站不保证下载资源的准确性、安全性和完整性, 不包修改,不支持退换,同时也不承担用户因使用这些下载资源对自己和他人造成任何形式的伤害或损失;
6、 下载文件中如有侵权或不适当内容,请与我们联系,我们立即纠正。