

作品包括:
Word版设计说明书1份
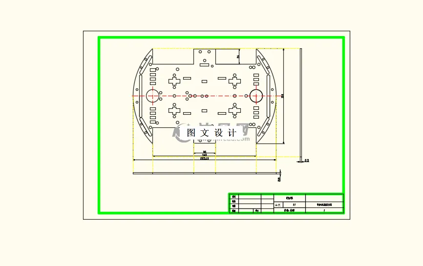
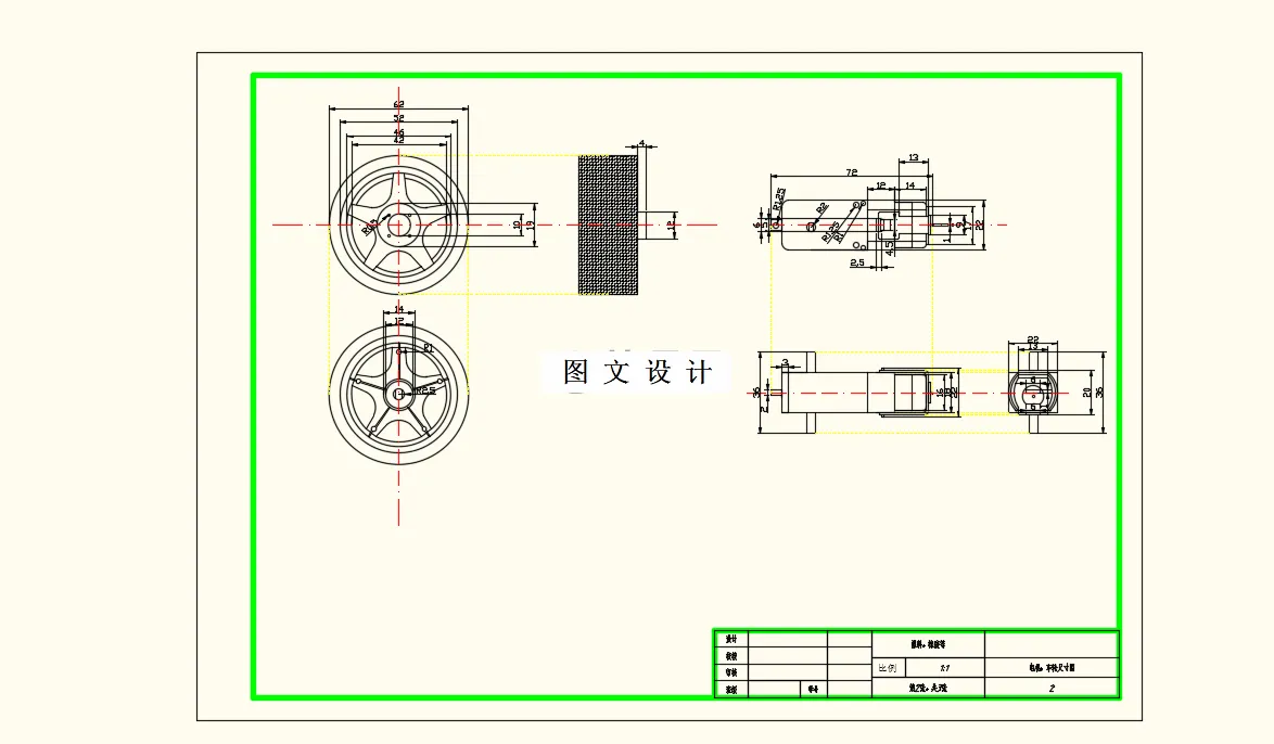
CAD版本图纸,共4张
摘要
随着科技的不断进步,手势控制技术逐渐成为现如今人机交互的重要分支之一,在科学技术的发展中取得了十分重大的进步。智能小车属于轮式机器人中的一种,目前广泛应用于一些危险场所和自动化生产模式中。本文研究并设计了一种基于Kinect摄像头的手势识别控制车。车身使用的是四轮差速转向结构,底部选用的是亚克力板,控制模块选用的是Arduino微处理器,其控制利用哈佛结构实现。本设计中使用的是L298N电机驱动模块来处理手势信息,电机的正、反向旋转通过控制电平来实现。该手势识别控制车共包括两个部分,即上、下位机。Windows 8.1系统的i7双核工控机和Kinect共同组成了上位机,其功能是收集视频信号、手势识别和传送指令给下位机,除此之外,下位机的状态也能够通过上位机读取。下位机的主控制器是STM32F103ZET6,外部连接2个超声传感器和1个MPU9250传感器,其主要功能是接收上位机发来的指令,并完成指令。除此之外,下位机还具备躲避障碍的能力,可以确保物品被安全送达,还能够检测运动状态。RS232接口实现了上下位机的信息交换。采用直流减速电机作为轿厢电机,轿厢运行是依据电磁驱动原理来实现的。Kinect的手势控制小车的设计共分为四个部分,分别是前期的项目设计和方案整理以及后期的仿真和物理测试。
温馨提示:
1、题目前面的备注【字母数字编号】为本站整理分类的编号,与课题内容无关,请选题时忽视;
2、若题目上备注三维,则表示文件里包含三维源文件,由于三维组成零件数量较多,为保证预览截图的简洁性,本站将三维文件夹进行了打包。三维及CAD预览截图,均为本站电脑打开软件进行截图的,保证能够打开,下载原件超高清,下载后解压即可;
3、本站所有资源如无特殊说明,都需要本地电脑安装Office2007。图纸软件为AutoCAD,PROE,UG,SolidWorks,CATIA等;
4、本站所有图文资料仅供用户学习参考,不作为任何商用或其他用途;
5、本站不保证下载资源的准确性、安全性和完整性, 不包修改,不支持退换,同时也不承担用户因使用这些下载资源对自己和他人造成任何形式的伤害或损失;
6、 下载文件中如有侵权或不适当内容,请与我们联系,我们立即纠正。