

作品包括:
Word版说明书1份,共47页,约15000字
CAD版本图纸,共3张

摘要
伴随着科技的不断发展,社会的不断进步,由此引发的问题就是空气质量的不断下降,室内是人们常待的地方,无论是工作还是休闲,大部分人一天在室内呆的时间超过总体的一大半,加上不经常活动,人体免疫力下降,室内的空气质量问题就变得更加的重要。因此我们要加强对室内空气质量的监测,提高我们的身体素质,改善生活质量。
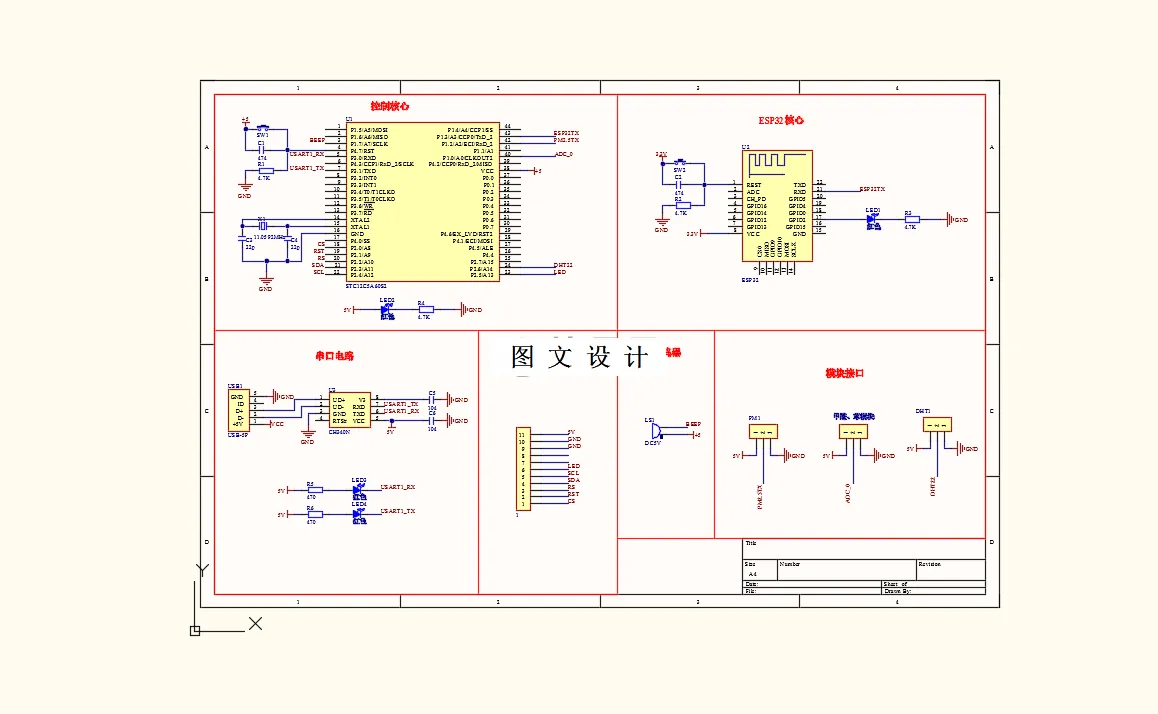
对此,本文设计了一款基于单片机,可以实时监测室内空气的系统。以STC12C5A60S2单片机为控制核心,分别采用DHT22温湿度传感器、D7可吸入颗粒传感器和CJMCU-1100甲醛、苯传感器,分别可以采集温湿度、PM2.5和甲醛、苯的数据,并可以用TFT液晶显示屏显示这四个数据在屏幕上,实现对检测气体的更直观的体现。并由蜂鸣器对超标气体发出警报。本设计还开发了一个APP,APP和ESP-32FWIFI模块通过MQTT服务器进行通信,实现通过手机就可以对室内空气质量的了解。软件设计部分运用到了C语言在Keil μVision 4 C51软件进行程序的开发,APP用App Inventor 2 WxBit应用软件进行开发。硬件部分根据系统原理图进行连接。
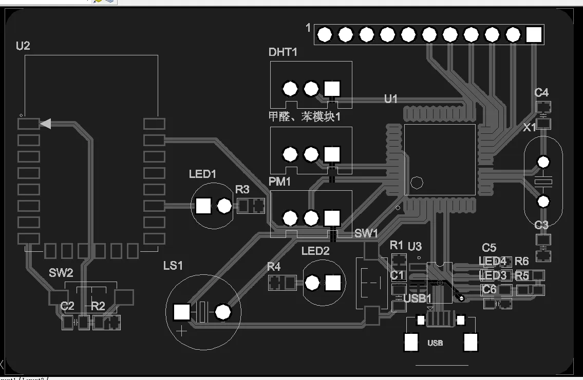
完成初步设计后,对设计进行检测,通过测试数据和实际数据进行比较来实现,最后对PCB进行设计,完成PCB的布线问题。
关键词:室内空气质量;单片机;传感器;气体监测
目 录
摘要 I
Abstract II
1 绪论 1
1.1课题研究背景及意义 1
1.2国内外室内空气质量监测研究现状 1
1.2.1国外研究现状 1
1.2.2国内研究现状 2
1.3本文的主要工作 3
2 系统结构及元件选择 5
2.1监测系统基本结构设计 5
2.2主控制元件 5
2.3传感器选择 7
2.3.1温湿度传感器 7
2.3.2甲醛、苯传感器 8
2.3.3 PM2.5粉尘传感器 9
2.4显示元件 10
2.5 WIFI模块 11
2.6报警模块 11
3机械结构设计 12
3.1设计软件介绍 12
3.2机械结构总体设计 12
4硬件电路设计 15
4.1主控制电路 15
4.2传感器电路 15
4.2.1温湿度传感器电路 15
4.2.2 PM2.5粉尘传感器电路 16
4.2.3甲醛、苯传感器电路 16
4.3WIFI模块电路 17
4.4显示电路 17
4.5串口电路 18
4.6报警电路 18
4.7PCB设计 20
5软件程序设计 22
5.1软件设计概述与系统结构框图 22
5.1.1 Keil μVision 4 C51软件 22
5.1.2 STC芯片烧录软件 23
5.1.3系统结构框图 23
5.2各传感器模块程序设计 25
5.2.1温湿度、粉尘模块软件设计 25
5.2.2甲醛、苯模块软件设计 26
5.3 WIFI模块 28
5.4 手机APP与WIFI模块的连接 29
5.4.1服务器MQTT 29
5.4.2 APP的开发 31
5.4.3 ESP-32F模块与MQTT的连接 32
6系统测试与实现 34
6.1软件程序调试 34
6.2硬件电焊接 35
6.3传感器数据采集及分析 35
6.3.1温湿度的测试 35
6.3.2可吸入颗粒测试 36
6.3.3甲醛值测试 36
6.4手机APP显示内容检测 37
6.5报警部分检测 37
结论 38
致谢 39
参考文献 40
温馨提示:
1、题目前面的备注【字母数字编号】为本站整理分类的编号,与课题内容无关,请选题时忽视;
2、若题目上备注三维,则表示文件里包含三维源文件,由于三维组成零件数量较多,为保证预览截图的简洁性,本站将三维文件夹进行了打包。三维及CAD预览截图,均为本站电脑打开软件进行截图的,保证能够打开,下载原件超高清,下载后解压即可;
3、本站所有资源如无特殊说明,都需要本地电脑安装Office2007。图纸软件为AutoCAD,PROE,UG,SolidWorks,CATIA等;
4、本站所有图文资料仅供用户学习参考,不作为任何商用或其他用途;
5、本站不保证下载资源的准确性、安全性和完整性, 不包修改,不支持退换,同时也不承担用户因使用这些下载资源对自己和他人造成任何形式的伤害或损失;
6、 下载文件中如有侵权或不适当内容,请与我们联系,我们立即纠正。