

作品包括:
Word版设计说明书1份
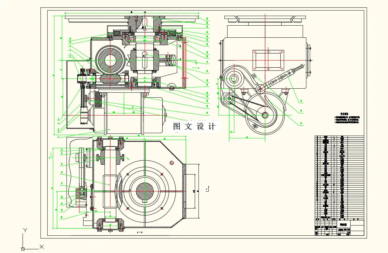
CAD版本图纸,共4张
摘要
在普通伸臂式焊接变位机的设计中,最重要的设计部分为变位机运动装置的设计,而运动装置运行的前提便是需要计算合适的运动自由度,这便是我们设计伸臂式焊接变位机较关键的地方,比如说确定其运动形式是平动或是转动。而变位机中的伸臂式焊接变位机是将不同的工件进行翻转或者翻转,目的是找到适合其的焊接位置,更简单点解释,就是将焊接件的焊缝位置调整到适合其焊接的位置。因此在所有焊接变位机的种类中,应用范围最广的便是伸臂式。伸臂式焊接变位机的主体为翻转机构、回转机构以及底座共同组成。 本次设计主要就是对2T伸臂式焊接变位机的装配及总体的进行结构设计,该变位的特点是可以多个方向的变换焊接件的位置,并且有自己独立的传动装置及驱动装置。可以方便的将工件放在适合它的焊接位置,并且可以根据实际的要求进行翻转旋转,使得焊缝移到适合自己的位置,方便了工人们的工作。本篇还大体设计了整个机构的箱体、回转机构及底座的设计。重点描述了回转机构的计算与设计,回转机构是由回转主轴以及二级高速、低速蜗轮蜗杆合作运转的焊接装备,其他组成部分还包括工作台、电动机等。
温馨提示:
1、题目前面的备注【字母数字编号】为本站整理分类的编号,与课题内容无关,请选题时忽视;
2、若题目上备注三维,则表示文件里包含三维源文件,由于三维组成零件数量较多,为保证预览截图的简洁性,本站将三维文件夹进行了打包。三维及CAD预览截图,均为本站电脑打开软件进行截图的,保证能够打开,下载原件超高清,下载后解压即可;
3、本站所有资源如无特殊说明,都需要本地电脑安装Office2007。图纸软件为AutoCAD,PROE,UG,SolidWorks,CATIA等;
4、本站所有图文资料仅供用户学习参考,不作为任何商用或其他用途;
5、本站不保证下载资源的准确性、安全性和完整性, 不包修改,不支持退换,同时也不承担用户因使用这些下载资源对自己和他人造成任何形式的伤害或损失;
6、 下载文件中如有侵权或不适当内容,请与我们联系,我们立即纠正。