

作品包括:
Word版设计说明书1份
CAD版本图纸,共11张
摘要
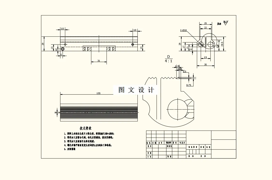
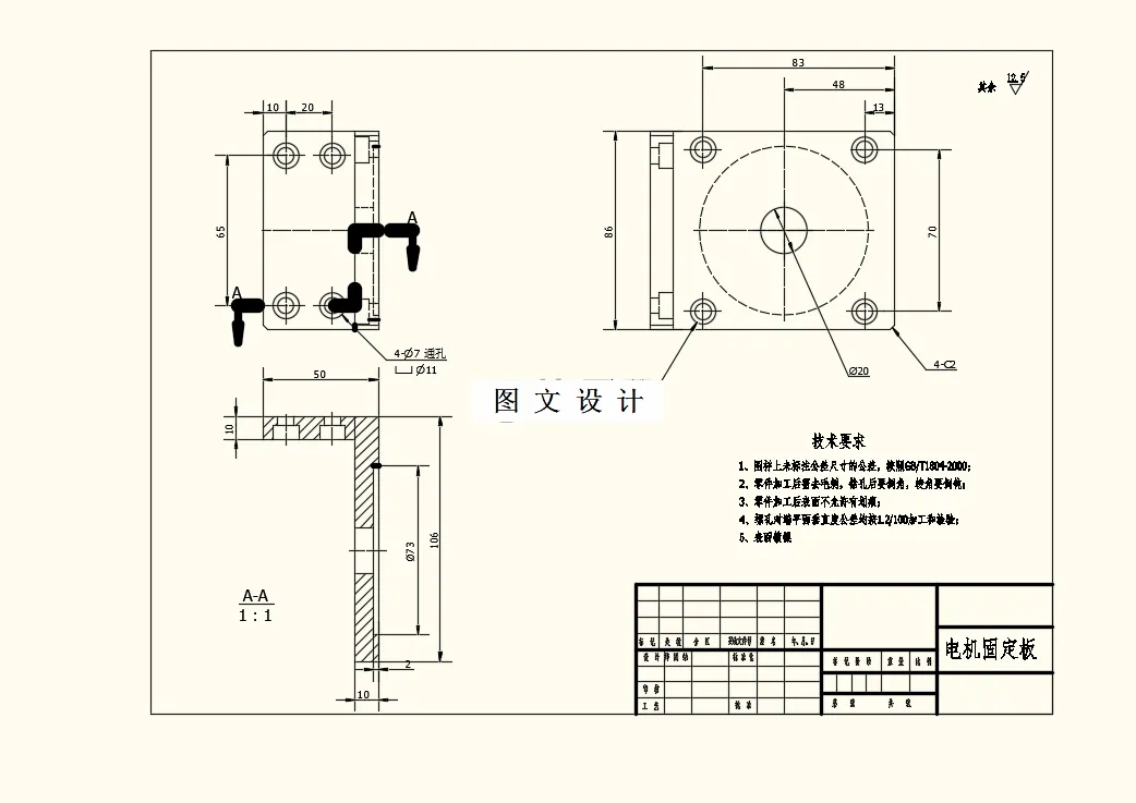
包装机是现在在食品包装行业非常重要的一种机器。包装机同样是多门技术的结合,机械,材料,力学等诸多融汇成一台小机器。包装机的先进性可以在一定程度上表明国家在对外贸易中的水平,体现出国家在机械制造工艺的水准。 本文是在大学机械学习的基础上,在查阅大量相关文献及专利,并且对相关市面上的成品包装机运行原理进行理解后,设计出的一种采用螺旋给料机构和成品输送带,简化送袋机构,并相关部件进行分析计算,最后通过CAD对总体进行设计并绘成图纸,完成的一台小型包装机。
温馨提示:
1、题目前面的备注【字母数字编号】为本站整理分类的编号,与课题内容无关,请选题时忽视;
2、若题目上备注三维,则表示文件里包含三维源文件,由于三维组成零件数量较多,为保证预览截图的简洁性,本站将三维文件夹进行了打包。三维及CAD预览截图,均为本站电脑打开软件进行截图的,保证能够打开,下载原件超高清,下载后解压即可;
3、本站所有资源如无特殊说明,都需要本地电脑安装Office2007。图纸软件为AutoCAD,PROE,UG,SolidWorks,CATIA等;
4、本站所有图文资料仅供用户学习参考,不作为任何商用或其他用途;
5、本站不保证下载资源的准确性、安全性和完整性, 不包修改,不支持退换,同时也不承担用户因使用这些下载资源对自己和他人造成任何形式的伤害或损失;
6、 下载文件中如有侵权或不适当内容,请与我们联系,我们立即纠正。