

作品包括:
Word版设计说明书1份
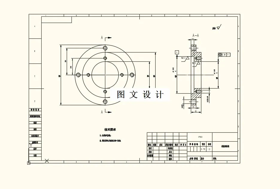
CAD版本图纸,共7张
摘要
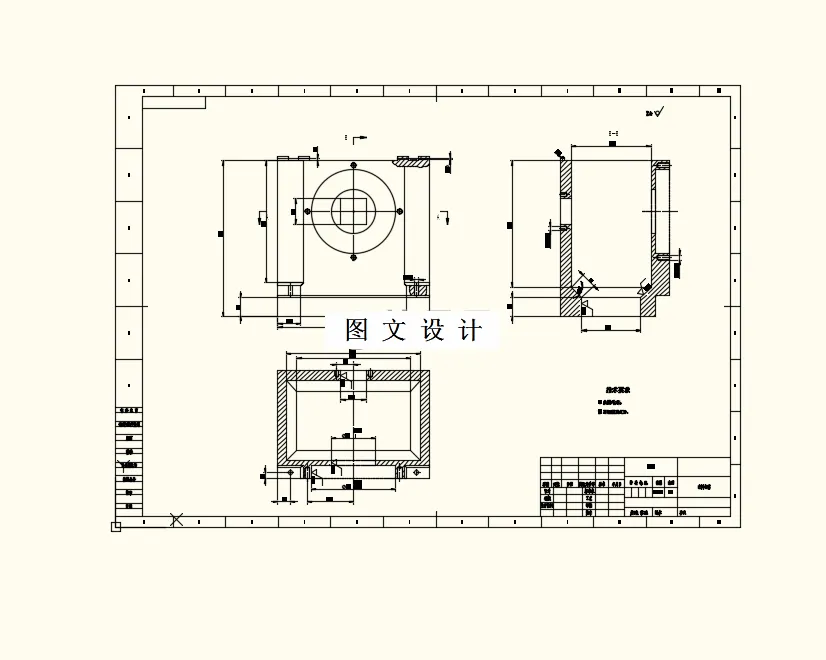
无轴螺旋输送机是一种输送装置内部螺旋输送叶片中孔无中心轴的物料输送机械。无轴螺旋输送机与目前同传统有轴螺旋输送机一样,存在诸多问题,比如物料输送过程中会产生堆积吸附、结块变质以及输送机结构不优等问题。本方案设计了:倾斜面出入料口;变螺距无轴螺旋入料端大螺距输送、出料端小螺距圆锥挤压物料的结构形式;一、二级螺旋叶片螺旋面背面连接结构;输送转筒与螺旋叶片焊接为一体转动;密封轴承座和止回阀等。以上结构及方案设计中螺旋叶片与输送转筒焊接为一体的输送形式以及两级螺旋叶片背部连接的结构形式来降低物料在输送过程中的堆积和吸附,出入料口的斜面设计来降低物料的端部堆积问题,密封设计来避免物料的结块及变质,最终实现大输送量的设计目的。
温馨提示:
1、题目前面的备注【字母数字编号】为本站整理分类的编号,与课题内容无关,请选题时忽视;
2、若题目上备注三维,则表示文件里包含三维源文件,由于三维组成零件数量较多,为保证预览截图的简洁性,本站将三维文件夹进行了打包。三维及CAD预览截图,均为本站电脑打开软件进行截图的,保证能够打开,下载原件超高清,下载后解压即可;
3、本站所有资源如无特殊说明,都需要本地电脑安装Office2007。图纸软件为AutoCAD,PROE,UG,SolidWorks,CATIA等;
4、本站所有图文资料仅供用户学习参考,不作为任何商用或其他用途;
5、本站不保证下载资源的准确性、安全性和完整性, 不包修改,不支持退换,同时也不承担用户因使用这些下载资源对自己和他人造成任何形式的伤害或损失;
6、 下载文件中如有侵权或不适当内容,请与我们联系,我们立即纠正。