

作品包括:
Word版设计说明书1份
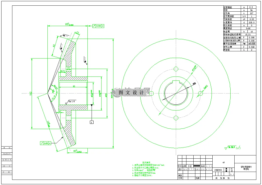
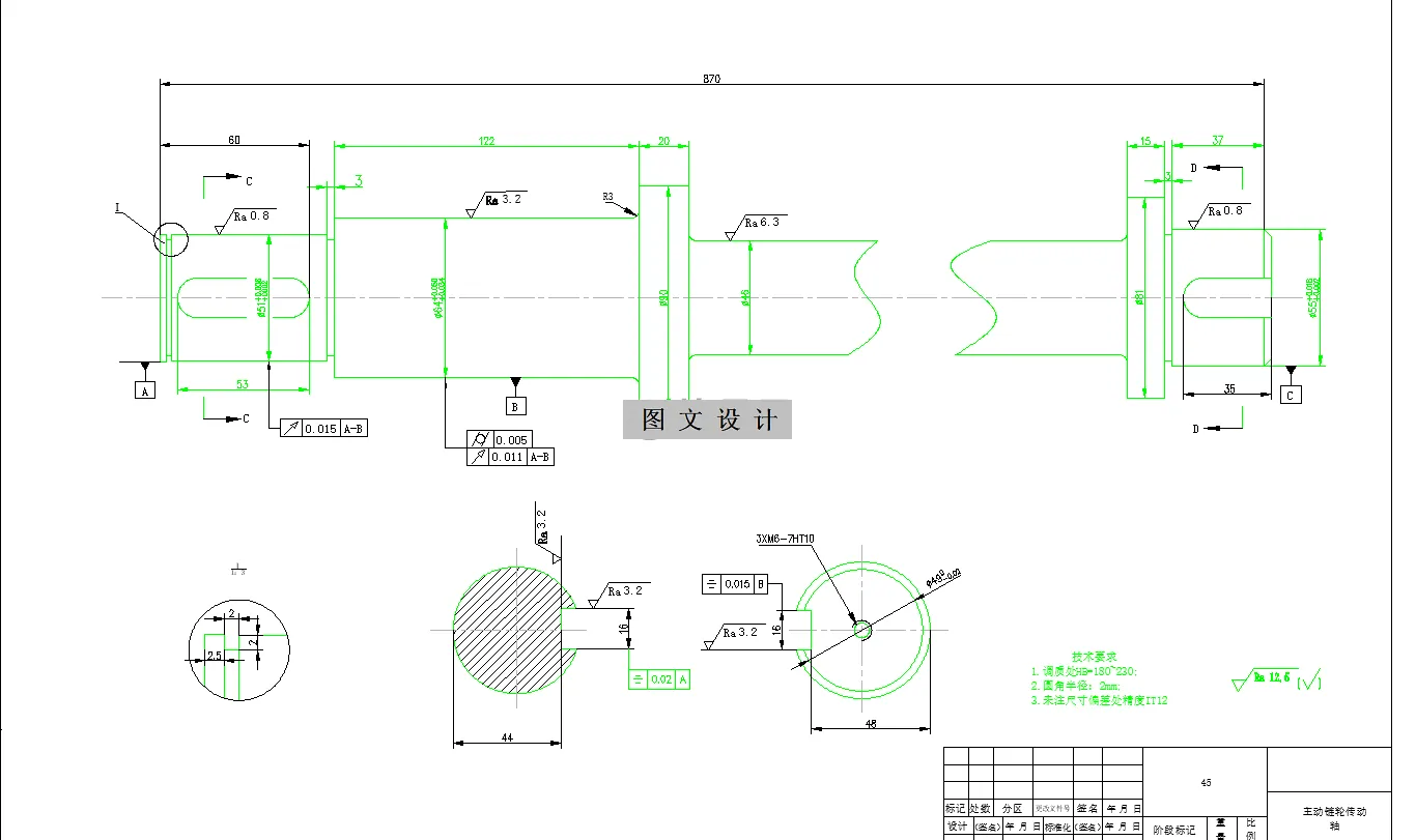
CAD版本图纸,共9张
摘要
芦苇是我国造纸工业的主要原料,及时收割芦苇是提高芦苇的经济效率的关键因素。芦苇收割季节短,条件艰苦劳动力强度大,迫切需要实现机械化。南方芦苇和北方芦苇不同,南方芦苇一般为4~5 m,茎粗20~30 mm,密度小,为15~30株/m2。为了满足南方芦苇收获要求,需要研制适应南方地。 在大型的芦苇收割机一般有2~3人进行操作。但随着芦苇收割机的小型化,它的收割和集草都要在同一个机器上进,由于空间有限,最多只能由一人操控,若都是手动操作的话,会不太方便,所以应该提高芦苇收割机的自动化程度,特别是全自动的芦苇收割机不仅能进一步减小空间的尺寸,增大储草空间,而且安全。
温馨提示:
1、题目前面的备注【字母数字编号】为本站整理分类的编号,与课题内容无关,请选题时忽视;
2、若题目上备注三维,则表示文件里包含三维源文件,由于三维组成零件数量较多,为保证预览截图的简洁性,本站将三维文件夹进行了打包。三维及CAD预览截图,均为本站电脑打开软件进行截图的,保证能够打开,下载原件超高清,下载后解压即可;
3、本站所有资源如无特殊说明,都需要本地电脑安装Office2007。图纸软件为AutoCAD,PROE,UG,SolidWorks,CATIA等;
4、本站所有图文资料仅供用户学习参考,不作为任何商用或其他用途;
5、本站不保证下载资源的准确性、安全性和完整性, 不包修改,不支持退换,同时也不承担用户因使用这些下载资源对自己和他人造成任何形式的伤害或损失;
6、 下载文件中如有侵权或不适当内容,请与我们联系,我们立即纠正。