

作品包括:
Word版设计说明书1份
CAD版本图纸,共9张
SW三维图一套
摘要
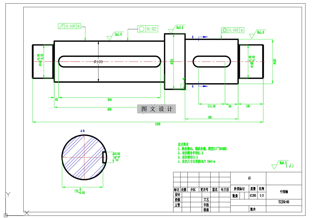
1、转速:2rpm 2、启动转矩:20000Nm 3、工作转矩:12500Nm 4、盘车装置壳体与汽轮机前轴承座端面法兰连接 5、汽轮机后轴承盖300x260的表面,边缘距后轴承座端面法兰50毫米,汽轮机盘车齿轮直径390mm,齿顶距离安装面43.5mm 6、动力电源AC380V,3相 功能要求: 1、现场手动啮合或接收信号中控远程气动啮合 2、接收信号气动自动脱开 3、带窥视窗以便观察啮合情况 型号:BJP-2-20000-R-06-A ⑴ 电动盘车代号 BJP ⑵ 输出转速2(r/min) ⑶ 启动扭矩2000(N·M) ⑷ 输出方向(从盘车装置看被盘机械): 顺时针为 R, ⑸ 外形尺寸变型号 600*500*1000 ⑹ 结构代号
温馨提示:
1、题目前面的备注【字母数字编号】为本站整理分类的编号,与课题内容无关,请选题时忽视;
2、若题目上备注三维,则表示文件里包含三维源文件,由于三维组成零件数量较多,为保证预览截图的简洁性,本站将三维文件夹进行了打包。三维及CAD预览截图,均为本站电脑打开软件进行截图的,保证能够打开,下载原件超高清,下载后解压即可;
3、本站所有资源如无特殊说明,都需要本地电脑安装Office2007。图纸软件为AutoCAD,PROE,UG,SolidWorks,CATIA等;
4、本站所有图文资料仅供用户学习参考,不作为任何商用或其他用途;
5、本站不保证下载资源的准确性、安全性和完整性, 不包修改,不支持退换,同时也不承担用户因使用这些下载资源对自己和他人造成任何形式的伤害或损失;
6、 下载文件中如有侵权或不适当内容,请与我们联系,我们立即纠正。