

作品包括:
Word版说明书1份,共42页,约14000字
CAD版本图纸,共8张

摘 要
本设计以捷达EA211发动机为参考案例,对相关参数四缸汽油机的曲柄连杆机构的首要零部件进行了结构运算设计,同时执行强度、刚度的校核,并执行相干运动学和动力学的理论与软件仿真阐发,已达到良好的生产经济效益。
目前国内外发动机曲柄连杆机构的动力学分析方法有很多,而且已经完善和成熟,但是还是缺乏一种基于良好生产效益、经济效益上的综合性分析,本次的设计在清晰、全面解剖的基础上,有机地将各个研究模块联合起来,达到既简便又清晰的设计目的,力求为发动机曲柄连杆机构的设计提供一个综合全面的思路。
首先,以运动学和动力学的理论知识为依据,对曲柄连杆机构的运动规律以及在运动中的受力等问题进行详尽的分析,并得到了精确的分析结果。其次分别对活塞组、连杆组以及曲轴进行详细的结构设计,并进行了结构强度和刚度的校核。再次,运用了三维CAD软件:Pro/Engineer建立了曲柄连杆机构各零部件的几何模型。
关键词:发动机;曲柄连杆机构;仿真建模;运动分析;Pro/E
目 录
摘 要 I
ABSTRACT II
第一章 绪 论 1
第二章 总体机构受力分析 3
2.1原始参数 3
2.2 曲柄连杆机构的类型和方案选择 4
2.3 曲柄连杆机构的运动学 4
2.3.1 活塞位移 5
2.3.2 活塞的速度 5
2.3.3 活塞的加速度 6
2.4 曲柄连杆机构中的作用力 6
2.4.1 气缸内工质的作用力 6
2.4.2 机构的惯性力 7
2.5 本章小结 12
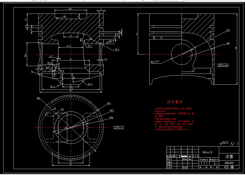
第三章 活塞组的设计 13
3.1 活塞的设计 13
3.1.1 活塞头部的设计 13
3.1.2 活塞裙部的设计 17
3.2 活塞环的设计和计算 18
3.2.1 活塞销的结构和尺寸 18
3.2.2 活塞销座结构设计 19
3.2.3 活塞环形状及主要尺寸设计 19
3.2.4 活塞环强度校核 19
3.3 本章小结 20
第四章 连杆组的设计 21
4.1 连杆的设计 21
4.1.1 连杆小头设计 21
4.1.2 连杆杆身的结构设计与强度计算 22
4.1.3 连杆大头的结构设计与强度、刚度计算 25
4.2 本章小结 26
第五章 曲轴的设计 27
5.1 曲轴的结构型式和材料的选择 27
5.1.1 曲轴的结构型式 27
5.1.2 曲轴的材料 27
5.2 曲轴的主要尺寸的确定和结构细节设计 27
5.2.1 曲柄销的直径和长度 27
5.2.2 主轴颈的直径和长度 27
5.2.3 曲柄 28
5.3 曲轴的疲劳强度校核 28
5.3.1 作用于单元曲拐上的力和力矩 28
5.4 曲轴平衡设计 30
5.4.1单拐旋转惯性力的计算 31
5.4.2 旋转惯性力的合力验算 31
5.4.3 旋转惯性力的合力矩验算 31
5.5本章小结 32
结 论 33
参考文献 34
致 谢 35
温馨提示:
1、题目前面的备注【字母数字编号】为本站整理分类的编号,与课题内容无关,请选题时忽视;
2、若题目上备注三维,则表示文件里包含三维源文件,由于三维组成零件数量较多,为保证预览截图的简洁性,本站将三维文件夹进行了打包。三维及CAD预览截图,均为本站电脑打开软件进行截图的,保证能够打开,下载原件超高清,下载后解压即可;
3、本站所有资源如无特殊说明,都需要本地电脑安装Office2007。图纸软件为AutoCAD,PROE,UG,SolidWorks,CATIA等;
4、本站所有图文资料仅供用户学习参考,不作为任何商用或其他用途;
5、本站不保证下载资源的准确性、安全性和完整性, 不包修改,不支持退换,同时也不承担用户因使用这些下载资源对自己和他人造成任何形式的伤害或损失;
6、 下载文件中如有侵权或不适当内容,请与我们联系,我们立即纠正。