

作品包括:
Word版说明书1份,共50页,约22000字
CAD版本图纸,共8张
摘 要
在工业生产和其他领域内,由于工作的需要,人们经常受到高温、腐蚀及有毒气体等因素的危害,增加了工人的劳动强度,甚至于危及生命。工业机械手就这样诞生了,机械手是工业机器人系统中传统的任务执行机构,是机器人的关键部件之一。电气方面有电机、开关电源、电磁阀、等电子器件组成。该装置涵盖了可编程控制技术,位置控制技术、气动技术等,是机电一体化的典型代表仪器之一。本文介绍的机械手是由PLC输出四路来分别驱动横轴、竖轴、底盘转动、手转动电机,控制机械手横轴和竖轴的精确定位,微动开关将位置信号传给PLC主机;电机拖动手爪和底盘旋转;电磁阀控制气阀的开关来控制机械手手爪的张合,从而实现机械手精确运动的功能。本课题拟开发的工业机械手模型可在空间抓放物体,动作灵活多样,可代替人工在高温和危险的作业区进行作业,并可根据工件的变化及运动流程的要求随时更改相关参数。
关键字:可编程控制器PLC,机械手,电机,任意位置
目录
摘 要 I
ABSTRACT II
1绪论 1
1.1 课题背景 1
1.1.1设计的目的和意义 2
1.2设计要求 3
1.2.1控制要求 3
1.3 PLC的发展概况 4
1.3.1可编程控制器的产生 4
1.3.2 PLC的定义 4
1.3.3 PLC的特点 5
2 机械手概述 6
2.1 机械手的定义与分类 6
2.2 机械手发展情况 7
2.3机械手的发展趋势 8
3 控制系统硬件设计 9
3.1 PLC的选型 9
3.1.1 常用PLC介绍 9
3.1.2 确定型号FX1N-60MR 13
3.1.3 FX1N所具有优越性能 13
3.1.4 FX系列PLC型号的说明 16
3.2 三菱FX系列的结构功能 16
3.2.1 PLC内部功能 17
3.2.2 PLC输入输出接口的安全保护 18
3.3 手持编程器FX-20P-E的使用 18
3.3.1 HPP的组成与操作面板 19
3.3.2 HPP的操作过程 21
4各功能实现形式与控制方式 25
4.1 本机械手模型的机能和特性 25
4.2 夹紧机构 25
4.3躯干 25
4.4旋转编码盘 26
5软件设计 27
5.1 编程软件的使用 27
5.2 FX1N PLC梯形图中的编程元件 28
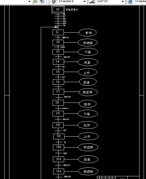
5.3 程序的总体结构 29
5.3.1 各部分程序如下 30
5.4 PLC程序的上载和下载 40
5.4.1 PLC程序的上载 40
5.4.2 PLC程序的下载 40
设计小结 41
参 考 文 献 42
附录 43
附录A:PLC接线图 43
附录B:指令表 44
致 谢 46
温馨提示:
1、题目前面的备注【字母数字编号】为本站整理分类的编号,与课题内容无关,请选题时忽视;
2、若题目上备注三维,则表示文件里包含三维源文件,由于三维组成零件数量较多,为保证预览截图的简洁性,本站将三维文件夹进行了打包。三维及CAD预览截图,均为本站电脑打开软件进行截图的,保证能够打开,下载原件超高清,下载后解压即可;
3、本站所有资源如无特殊说明,都需要本地电脑安装Office2007。图纸软件为AutoCAD,PROE,UG,SolidWorks,CATIA等;
4、本站所有图文资料仅供用户学习参考,不作为任何商用或其他用途;
5、本站不保证下载资源的准确性、安全性和完整性, 不包修改,不支持退换,同时也不承担用户因使用这些下载资源对自己和他人造成任何形式的伤害或损失;
6、 下载文件中如有侵权或不适当内容,请与我们联系,我们立即纠正。