

作品包括:
Word版设计说明书1份,共21页
任务书一份
开题报告一份
外文翻译一份
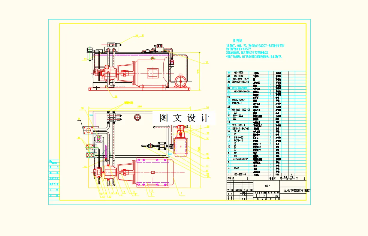
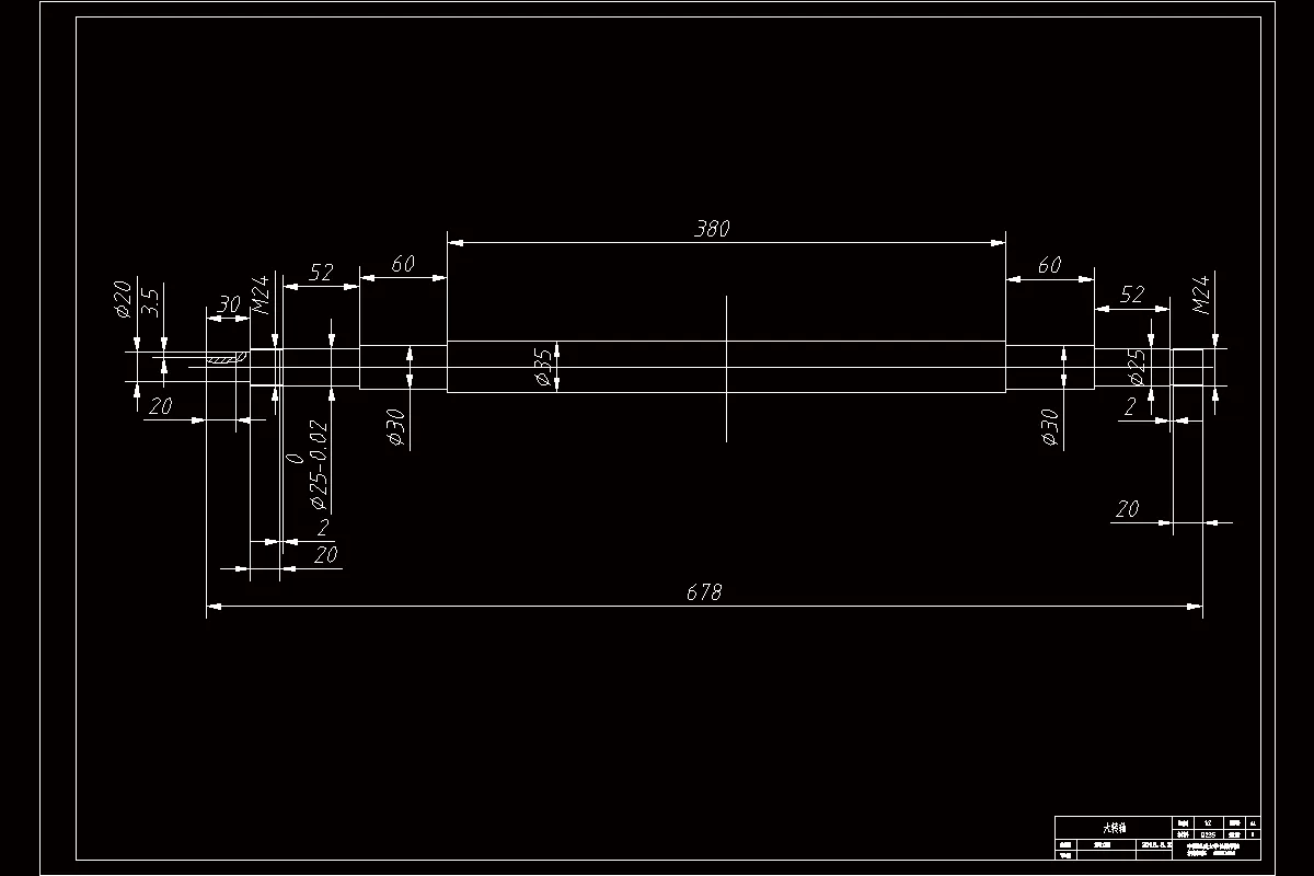
CAD版本图纸,共12张
摘要
本文首先对地表种植土剥离装置的研究现状进行了叙述,并且介绍了地表种植土剥离的意义与重要性。同时结合振动切削减阻理论与二维切削原理,提出了自动化精确种植土剥离方案,设计出一种地表种植土剥离装置,并对刀具单体的运动特性进行了分析,得到刀具单体的运动轨迹为类椭圆,刀具在上止点的急回特性作者称之为跳脱现象,有利于切削阻力的减小。使用三维软件Pro/E制作出地表种植土剥离装置各个部件的三维模型,并组装成剥离装置的三维模型,并进行了地表种植土剥离装置关键部件的受力分析和切土阻力计算,同时进行了发动机的选型计算。
温馨提示:
1、题目前面的备注【字母数字编号】为本站整理分类的编号,与课题内容无关,请选题时忽视;
2、若题目上备注三维,则表示文件里包含三维源文件,由于三维组成零件数量较多,为保证预览截图的简洁性,本站将三维文件夹进行了打包。三维及CAD预览截图,均为本站电脑打开软件进行截图的,保证能够打开,下载原件超高清,下载后解压即可;
3、本站所有资源如无特殊说明,都需要本地电脑安装Office2007。图纸软件为AutoCAD,PROE,UG,SolidWorks,CATIA等;
4、本站所有图文资料仅供用户学习参考,不作为任何商用或其他用途;
5、本站不保证下载资源的准确性、安全性和完整性, 不包修改,不支持退换,同时也不承担用户因使用这些下载资源对自己和他人造成任何形式的伤害或损失;
6、 下载文件中如有侵权或不适当内容,请与我们联系,我们立即纠正。